EasyManua.ls Logo

Venting VHBQi-D015TFA - Page 14

Venting VHBQi-D015TFA
22 pages
Print Icon
To Next Page IconTo Next Page
To Next Page IconTo Next Page
To Previous Page IconTo Previous Page
To Previous Page IconTo Previous Page
Loading...
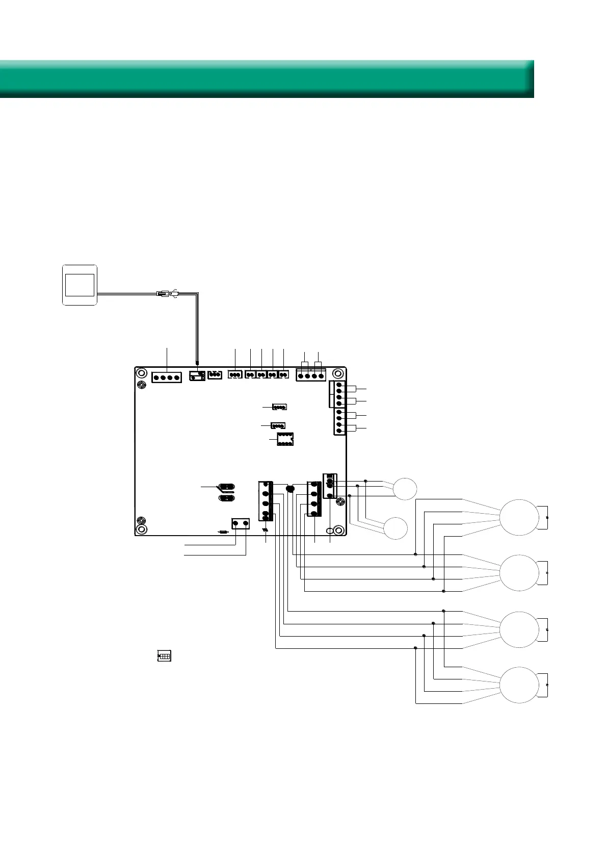
Wiring Diagrams
VENTING VHBQi-D150TFA to VENTING VHBQi-D200TFA
14
IEC127fuseT8AL250V
UL-fuse 8A 250V
FUSE
IEC127fuseT8AL250V
UL-fuse 8A 250V
PORT 4PORT 3
PORT 2PORT 1
L N
12V A GNDB
2015.03.10
AN2
AN1
AN3
AN4
COMM1
S1
S2
*
*
C02
*
KTK-HQ-546 V4.4
CN10
CN8
CN12
CN11
CN9
CM-DM
CN-SAFM
CN-EAFM
LD4
LD3
CN13
CN3
CN7
CN6
CN4
CN5
94V0
CN2
SW4
CN27
WIFI
Control
panel ports
Differential pressure
switch
External switch
By-pass switch
Fire alarm signal input
Fault signal output
Running signal output
RS485
ports
CO2 sensor
OA temp.
FR(EA) temp.
RA temp.
SA temp.
SA
FAN
By-pass
EA
FAN
Electrical
heater signal
Humidity sensor
WIFI
1. SW4-1: OFF-Traditional defrost ON-Electrothermal defrost
2. SW4-2: OFF-Auto by-pass ON-manunal by-pass(by-pass switch)
3. SW4-3: OFF-Humidity sensor ON-Humidity and temperature sensor (RA temp. will not be used)
4. SW4-4 : OFF-Baud rate:4800 ON-Baud rate:9600
SW4
421 3
Dial switch
ON
Dial switch
L
N
By-pass
GM
White
Yellow
Black
Exhaust fan
Supply fan
M1
M2
Black
White
Yellow
Blue
Supply fan
M1
Exhaust fan
M2
By-pass
GM
Control panel
Joint of control panel and cable
Standard length: 5m