EasyManua.ls Logo

Ventmatika EKA - Page 49

Ventmatika EKA
59 pages
Print Icon
To Next Page IconTo Next Page
To Next Page IconTo Next Page
To Previous Page IconTo Previous Page
To Previous Page IconTo Previous Page
Loading...
ELECTRICAL CIRCULAR DUCT HEATERS
EKA
48
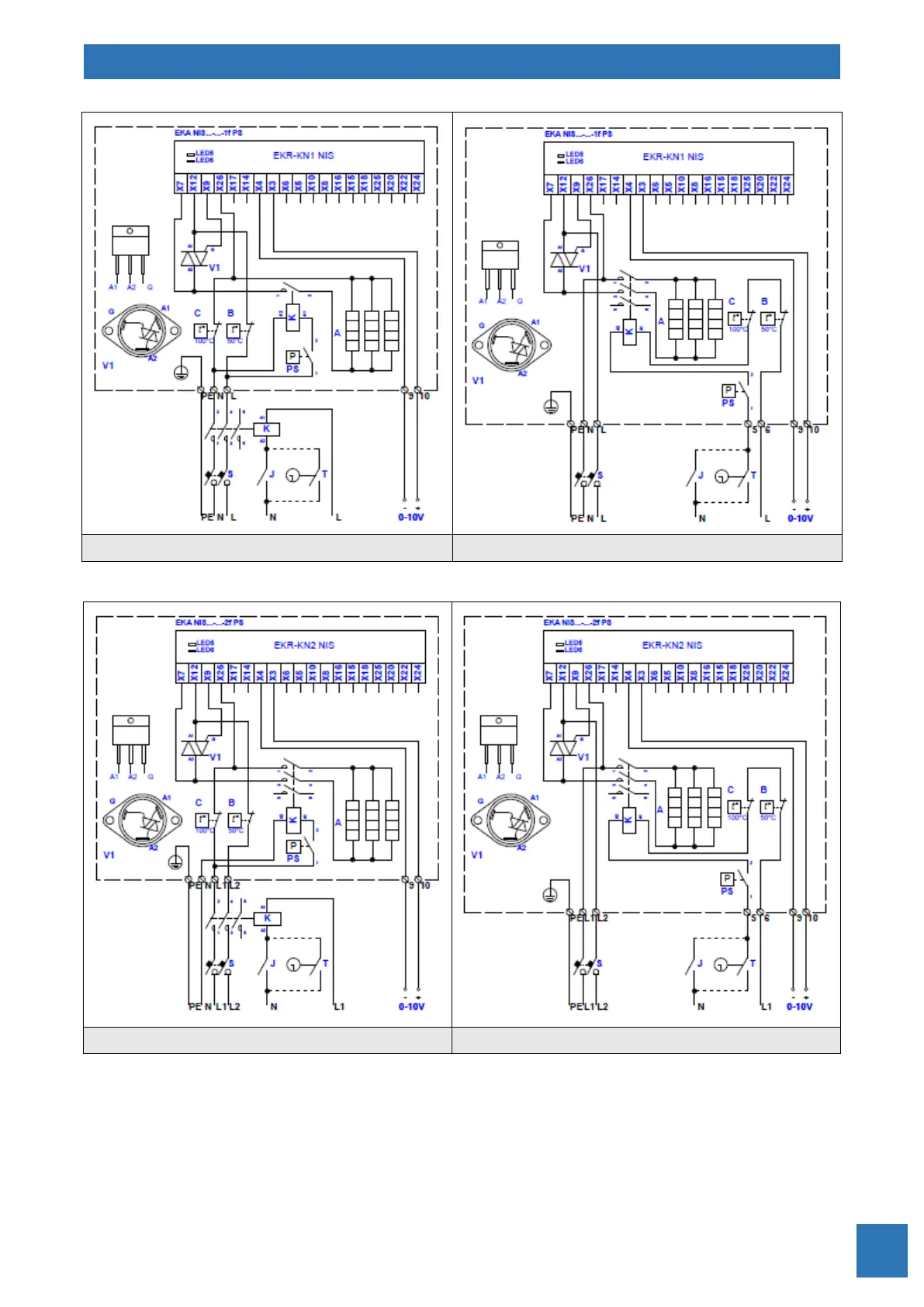
≤ 3,6 kW
> 3,6 Kw
Fig. 70. Electrical wiring diagrams of single phase 230V heater EKA NIS…--1f PS
6 kW
> 6 Kw
Fig. 71. Electrical wiring diagrams of 2-phase 400V heater EKA NIS…--2f PS

Other manuals for Ventmatika EKA

Related product manuals