EasyManua.ls Logo

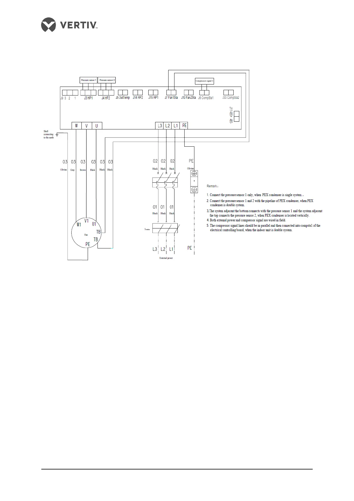
Vertiv Liebert LSF32-T - Appendix Circuit Diagrams; Circuit Diagram for Single Fan Condenser

Vertiv Liebert LSF32-T
33 pages
Print Icon
To Next Page IconTo Next Page
To Next Page IconTo Next Page
To Previous Page IconTo Previous Page
To Previous Page IconTo Previous Page
Loading...
Vertiv I Liebert Air Cooled Condenser I User Manual 28
Appendix Circuit Diagram
Figure 1 Circuit diagram of the condenser with single fan

Related product manuals