EasyManua.ls Logo

Vertiv Liebert MCM040 - Page 44

Vertiv Liebert MCM040
127 pages
Print Icon
To Next Page IconTo Next Page
To Next Page IconTo Next Page
To Previous Page IconTo Previous Page
To Previous Page IconTo Previous Page
Loading...
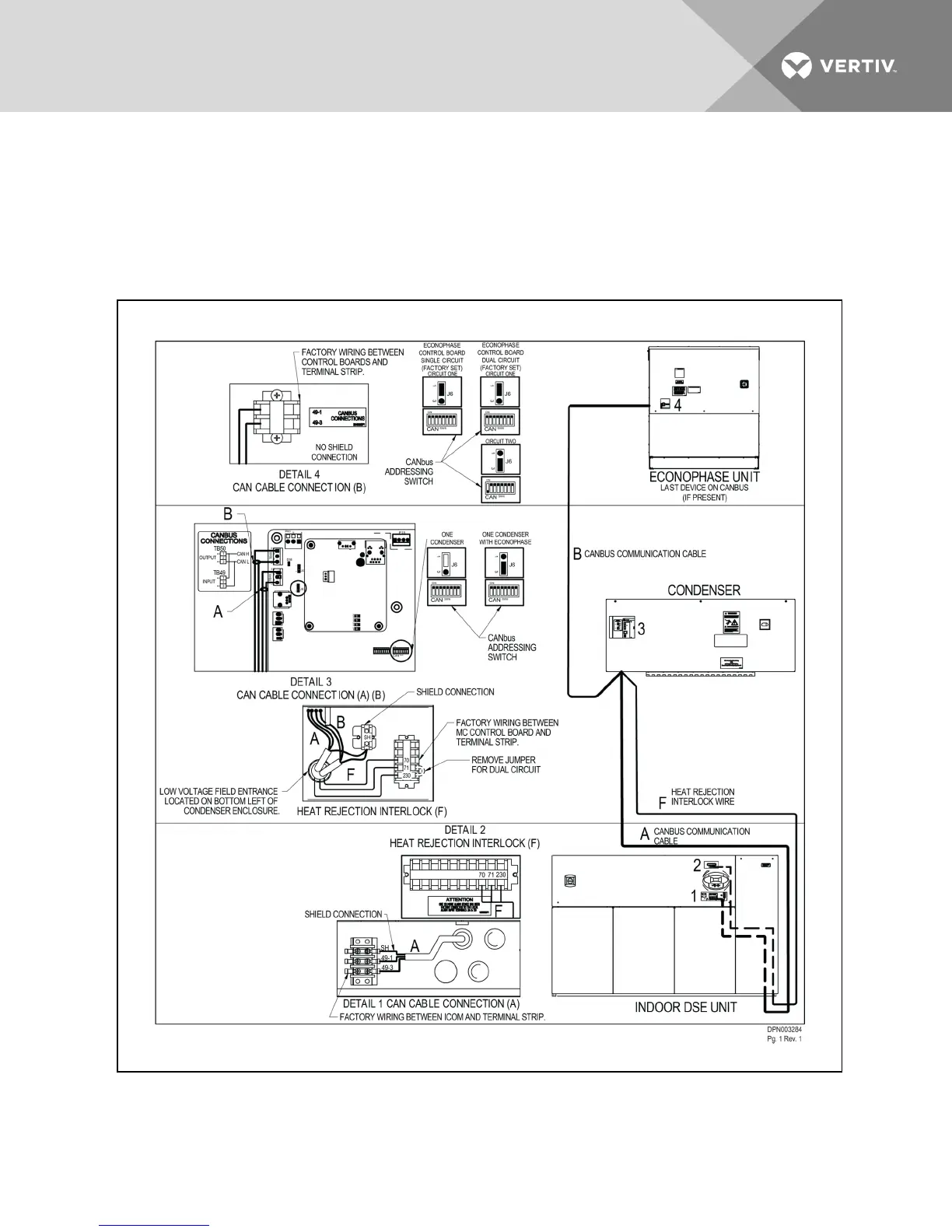
Avoid running the cables by devices that may introduce noise, such as machines, fluorescent
lights, and electronics.
Avoid stretching cables.
Keep CANbus cables at least 12 inches (305mm) from high-voltage sources, including wiring.
Figure 4.2 CANbus communication and interlock connections
betweenaLiebertDSE,onepremiumLiebert MC and a Liebert EconoPhase
CANbus Cable: A, B
Interlock Wire: F
Vertiv | Liebert® MC Installer/User Guide | 44

Table of Contents

Other manuals for Vertiv Liebert MCM040

Related product manuals