EasyManua.ls Logo

VEVOR SD-002 - Parts List

VEVOR SD-002
16 pages
Print Icon
To Next Page IconTo Next Page
To Next Page IconTo Next Page
To Previous Page IconTo Previous Page
To Previous Page IconTo Previous Page
Loading...
- 3 -
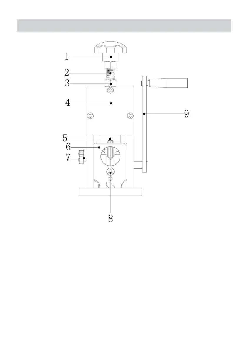
Parts List
1:M16 plastic nut for regulating blade up and down
2: M16 screw rod for regulating blade up and down
3: Nut for screw rod
4:Panel
5:Blade
6: Incoming panel
7:Screw for tightening incoming panel
8: Feeding hole
9:Handle

Related product manuals