EasyManua.ls Logo

VEVOR SKF-B45F - Circuit Diagram

VEVOR SKF-B45F
143 pages
Print Icon
To Next Page IconTo Next Page
To Next Page IconTo Next Page
To Previous Page IconTo Previous Page
To Previous Page IconTo Previous Page
Loading...
- 14 -
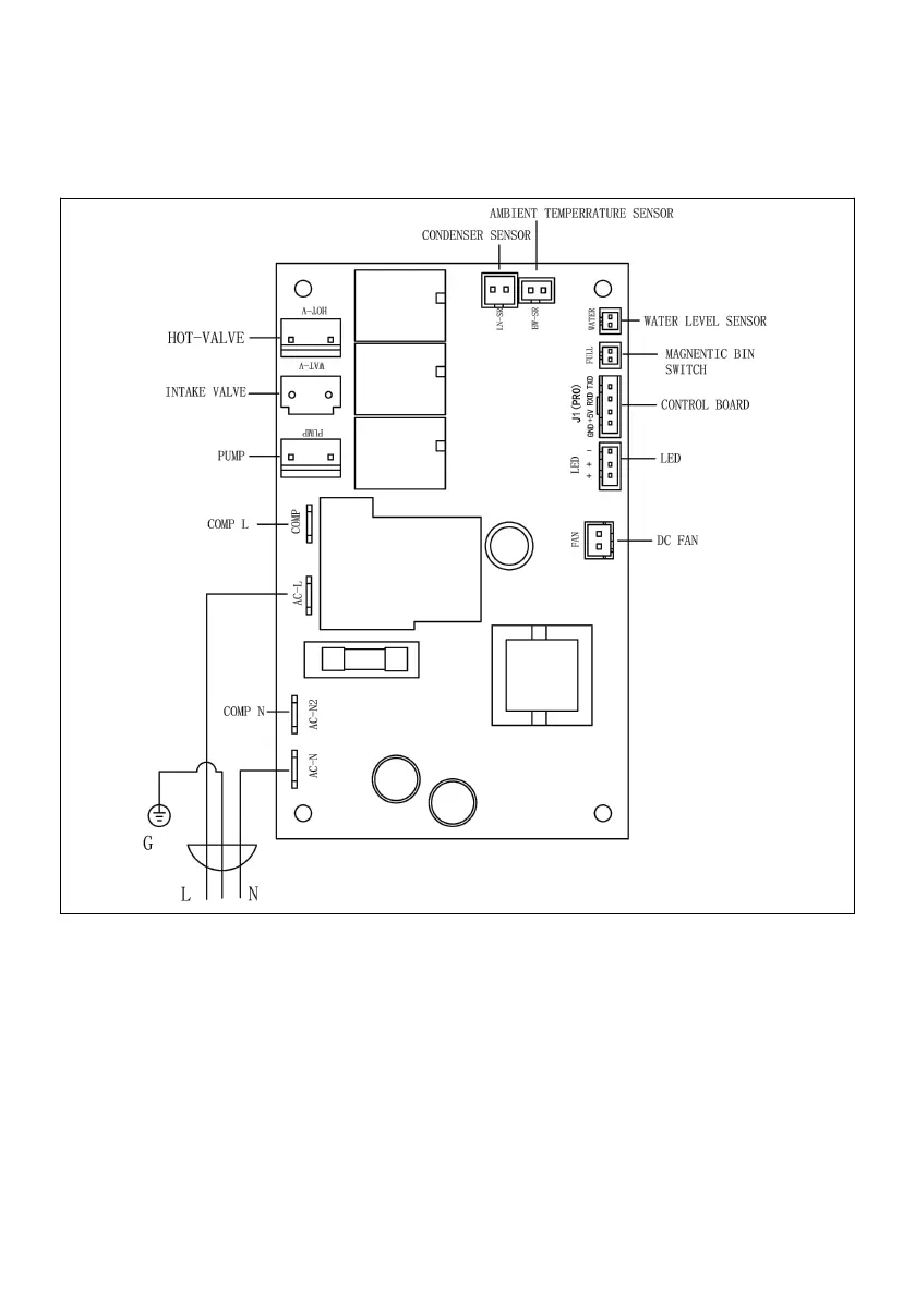
Circuit Diagram
Made In China

Related product manuals