EasyManua.ls Logo

Viconics VT7600A - Typical Applications

Viconics VT7600A
36 pages
Print Icon
To Next Page IconTo Next Page
To Next Page IconTo Next Page
To Previous Page IconTo Previous Page
To Previous Page IconTo Previous Page
Loading...
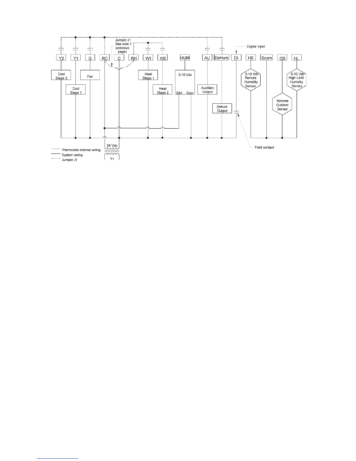
8 | PIR Ready VT76x7 Series-Installation Guide
TYPICAL APPLICATIONS

Related product manuals