EasyManua.ls Logo

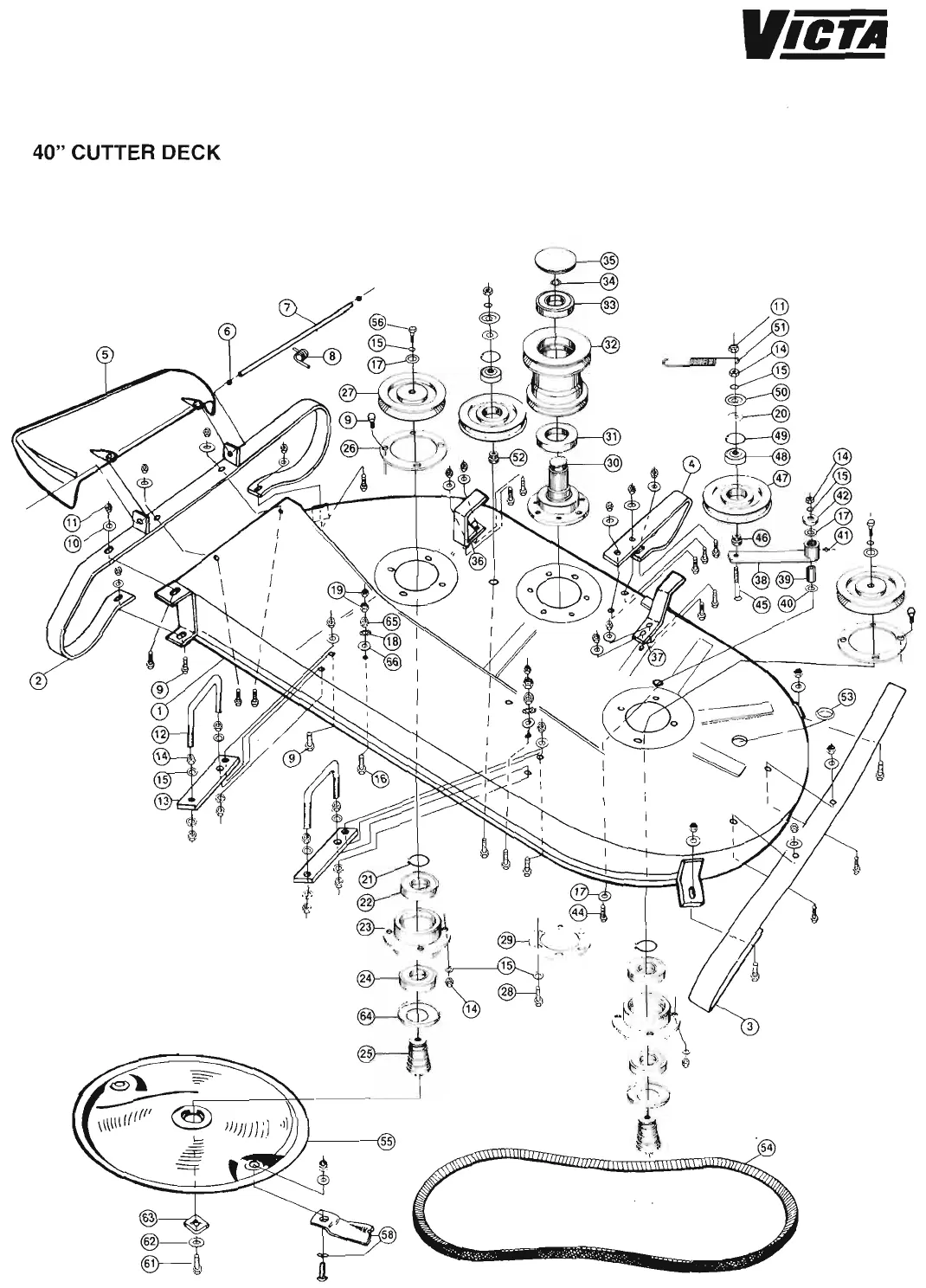
Victa PRO 12 - 40 Cutter Deck Diagram

Victa PRO 12
34 pages
Print Icon
To Next Page IconTo Next Page
To Next Page IconTo Next Page
To Previous Page IconTo Previous Page
To Previous Page IconTo Previous Page
Loading...
IIleTA
40"
CUTTE
R
DECK

Related product manuals