EasyManua.ls Logo

Videocon 325LDF - Connecting External Equipment to the TV (Continued); Antenna Input (ANT IN); Component Input (COMPONENT IN); HDMI Connections

Videocon 325LDF
29 pages
Print Icon
To Next Page IconTo Next Page
To Next Page IconTo Next Page
To Previous Page IconTo Previous Page
To Previous Page IconTo Previous Page
Loading...
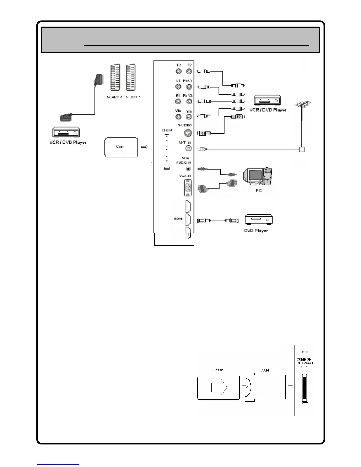
Connecting External Equipment to the TV
These figures are just for reference
25
ANT IN :To view television channels correctly, a signal must be received by the set from one of the following sources:
An outdoor aerial / A cable television network / A satellite network
COMPONENT IN: Connect component video cables (not supplied) to component connector ("PR", "PB", "Y") on the rear
of your set and the other ends to corresponding component video out connectors on the DTV or DVD. The PR, PB and Y
connectors on your component devices (DTV or DVD) are sometimes labelled Y, B-Y and R-Y or Y, Cb and Cr.
Connect RCA audio cables (optional) to "R - AUDIO - L" on the rear of your set and the other ends to corresponding audio
out connectors on the DTV or DVD.
HDMI IN 1, HDMI IN 2, HDMI IN 3: Supports connections between HDMI-connection-enabled AV devices (Set-Top Boxes,
Blu Ray Player, Games Console etc).No additional Audio connection is needed for an HDMI to HDMI connection.
FOR TOP UP TV (PAY TV)
Certain Digital TV Stations will be inaccessible and a “Scrambled Signal” message is displayed on screen.
These channels require you to have a (current/ valid) TOP UP TV card inserted into the TV to view them.
You will need a CI CAM unit (sold separately) to insert a TOP UP card into the TV
see a suitable electrical retailer for more details.
Insert the TOP UP card into the CI CAM adapter as shown
Insert the CAM unit into the Common Interface Slot on the TV
Insert the CAM in the direction of the arrow
Insert the CAM right up to the end so it is parallel with the slot
You can install the CAM anytime whether the TV is ON or OFF.

Related product manuals