EasyManua.ls Logo

VIDEOMAN FUTURO-SD4B - Page 17

VIDEOMAN FUTURO-SD4B
20 pages
Print Icon
To Next Page IconTo Next Page
To Next Page IconTo Next Page
To Previous Page IconTo Previous Page
To Previous Page IconTo Previous Page
Loading...
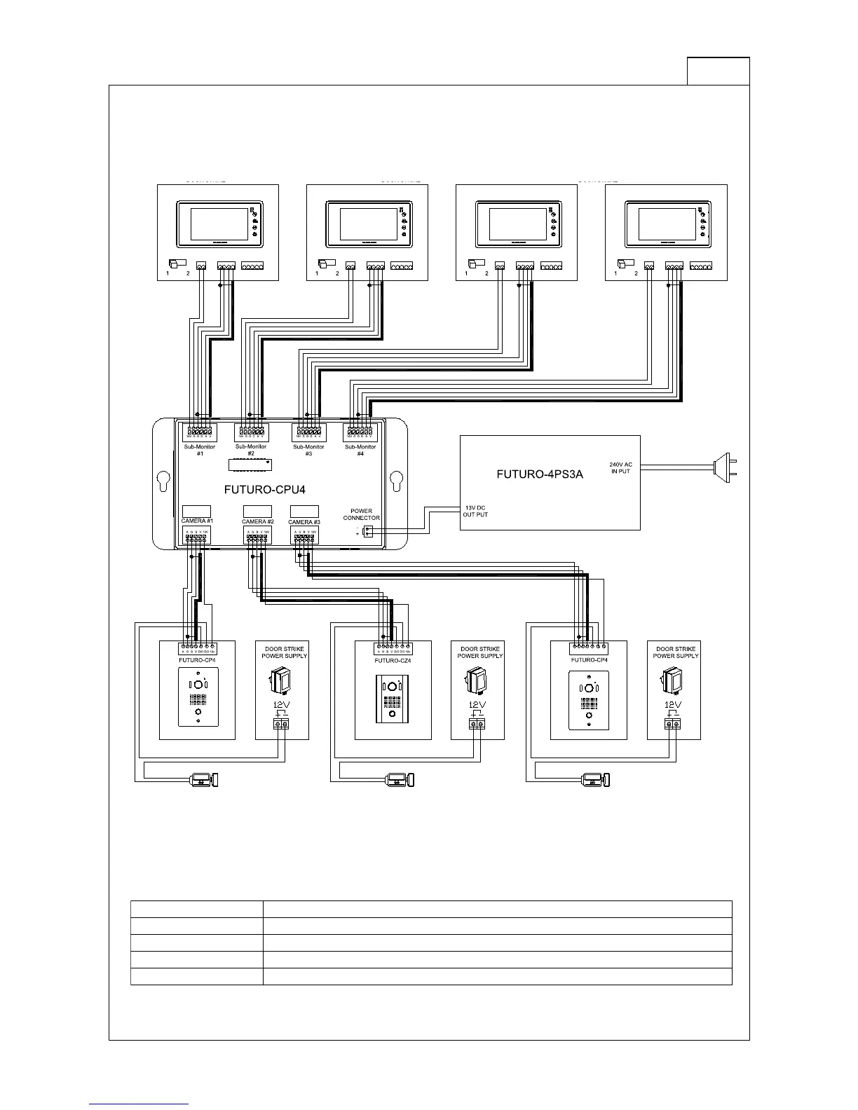
Wiring Diagram 17
FUTURO
4 monitors and 3 doorstations with Futuro-CPU4(Central
Power and Video Distribution Unit)
FUTURO-CPU4 is an optional device that enables multiple monitors and doorstations in a system.
3
4
12 V B G A
G D A V
Power Sub-Monitor Camera
B+ B-
5
FUTURO-SD4/SD4B
1
2
1
1
2 234
A G B V D/O D/O 12v
3
4
12 V B G A
G D A V
Power Sub-Monitor Camera
B+ B-
5
FUTURO-SD4/SD4B
1
2
1
1
2 234
3
4
12 V B G A
G D A V
Power Sub-Monitor Camera
B+ B-
5
FUTURO-SD4/SD4B
1
2
1
1
2 234
3
4
12 V B G A
G D A V
Power Sub-Monitor Camera
B+ B-
5
FUTURO-SD4/SD4B
1
2
1
1
2 234
EOL
EOL EOL EOL
N.B. The Advanced Photo Recording function is only available from CAMERA#1.
Note
1. Terminal description and voltage
Camera terminal #1 ~ #3
A
Audio 4.6VDC when Standby / 12V DC when Door Open
G
Ground
B
Camera power 12V DC
V
Composite Video
12V
Constant power for the back light & Advanced recording 12V DC

Related product manuals