EasyManua.ls Logo

Viessmann 5208 - Page 4

Viessmann 5208
12 pages
Print Icon
To Next Page IconTo Next Page
To Next Page IconTo Next Page
To Previous Page IconTo Previous Page
To Previous Page IconTo Previous Page
Loading...
4
Stoppabschnitt rechts
stop section right
eine maximale Zuglänge
max. one train length
Stoppabschnitt links
stop section left
eine maximale Zuglänge
max. one train length
14 – 16 V~ AC
Fahrstrom
track current
5208
Bremsabschnitt
brake section
mind. 2 Loklängen
min. 2 locomotive lengths
Leitungen nicht
vertauschen,
siehe Text!
Don't mix up
these wires,
follow the text!
8
7
9
6
5
4
3
2
1
14
13
12
11
10
Aufenthaltsschalter 5208
Viessmann
Maximale Betriebsspannung 16 V ~/=
an Buchsen 1 und 2
Vor Inbetriebnahme unbedingt
die Betriebsanleitung lesen!
Kriech-
geschwindigkeit
Aufenthaltszeit
Bremsen
Anfahren
braun brown
rot red
gelb
yellow
braun
brown
rot red
rot red
rot red
braun brown
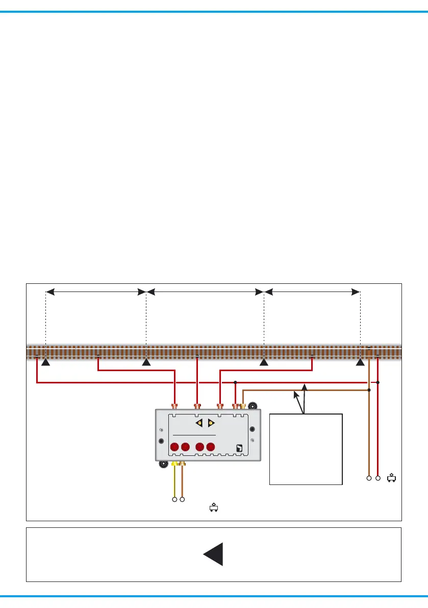
Fig. 2Abb. 2
Anschluss des Bahnhofsgleises
Das Bahnhofsgleis muss in 3 einpolig elektrisch
getrennte Abschnitte eingeteilt werden (= 4 Trenn-
stellen). In der Mitte liegt der Bremsabschnitt, links
und rechts davon jeweils ein Stoppabschnitt. Diese
3 getrennten Bereiche benötigen Sie auch, wenn
Sie das Bahnhofsgleis nur in eine Richtung befah-
ren möchten. Bei Mittelleitergleisen trennen Sie
den Mittelleiter, bei Zweileitergleisen entweder das
linke oder rechte Schienenprofil. Alle 4 Trennstellen
müssen auf der gleichen Seite gemacht werden.
Verwenden Sie hierzu die jeweils passenden Iso-
lierstücke oder Trenngleise Ihres Gleissystemher-
stellers. Den Fahrstrom und die Zuleitungen zu den
abgetrennten Abschnitten verbinden Sie gemäß
Abbildung 2 mit den Buchsen 10 bis 14 des Auf-
enthaltsschalter. An der Buchse 11 wird die Fahr-
stromzuleitung angeschlossen, die auch mit dem
isolierstellenseitigen Schienenprofil (bzw. bei Mit-
telleitergleisen mit dem Mittelleiter) verbunden ist,
an der Buchse 10 hingegen die Fahrstromzuleitung
des durchgehenden Schienenprofils (bzw. „Masse“
oder braun bei Mittelleitergleisen).
Dieses Symbol neben dem Gleis kennzeichnet
eine elektrische Trennstelle (z. B. mit Isolier-
schienenverbindern) an der gekennzeichneten
Gleisseite. Bei Märklin-H0-Gleisen entspricht
dieses einer Mittelleiter-Trennstelle.
This mark next to the track indicates an electri
-
cal gap (e.g. with insulating fish plates) at side
marked. For Märklin HO tracks this is the centre
rail.
Connecting a station track
The station track has to be divided into three electri
-
cal sectors (one side only) (= four insulating gaps).
The brake sector is at the centre, left and right are
the stop sectors. The three sectors are also re
-
quired for travel in one direction. For three-conduc
-
tor track systems (Märklin) cut the centre rail, for
two-rail systems cut either track. All four insulating
gaps must be on the same side. Use suitable insu-
lating fishplates or insulating track sections. Wire
the insulated sections to the sockets 10 14 as per
Fig. 2. Connect the track power to socket 11, that
is already wired to the centre rail (Märklin) or to the
rail with the insulating gaps. The cable to the other
track (or “ground” respectively the “brown” wire for
three-rail systems) is wired to socket 10.

Other manuals for Viessmann 5208