EasyManua.ls Logo

Viessmann 5208 - Funktionsablauf und Einstellungen; Operation and Adjustments

Viessmann 5208
12 pages
Print Icon
To Next Page IconTo Next Page
To Next Page IconTo Next Page
To Previous Page IconTo Previous Page
To Previous Page IconTo Previous Page
Loading...
5
ca. eine
Loklänge
appr. one
loco length
8
7
9
6
5
4
3
2
1
14
13
12
11
10
Aufenthaltsschalter 5208
Viessmann
Maximale Betriebsspannung 16 V ~/=
an Buchsen 1 und 2
Vor Inbetriebnahme unbedingt
die Betriebsanleitung lesen!
Kriech-
geschwindigkeit
Aufenthaltszeit
Bremsen
Anfahren
ca. eine
Loklänge
appr. one
loco length
4002, 4011,
4411, 4811,
4911
4002, 4011, 4411,
4811, 4911
Diode
diode
Diode
diode
grüne Stecker
green plugs
schwarze Markierung
black marking
schwarzer Stecker
black plug
rote Markierung
red marking
grüne Markierung
green marking
rote Stecker
red plugs
schwarze Markierung
black marking
rote Markierung
red marking
grüne Markierung
green marking
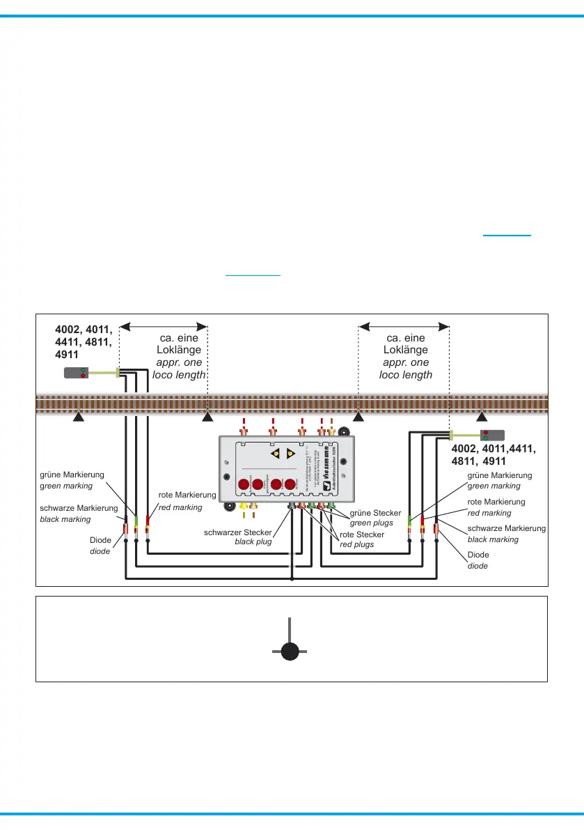
Fig. 3Abb. 3
Anschluss der Lichtsignale
An den Aufenthaltsschalter können 2 Lichtsignale
angeschlossen werden, die automatisch mit gesteu-
ert werden (siehe Abbildung 3). Die Signalbilder
werden vorbildgerecht langsam übergeblendet.
Die gemeinsame Buchse 5 versorgt beide Lichtsig-
nale mit Strom (gemeinsamer Pluspol). Hier werden
die Anschlusskabel beider Signale mit der Schutz-
diode (schwarze Markierung) angeschlossen. Die
Anschlusskabel der Signale mit den grünen und
roten Markierungen schließen Sie an die Buchsen
6 (rot) und 7 (grün) für das linke Signal bzw. 8 (rot)
und 9 (grün) für das rechte Signal an.
Weitere Anschlussmöglichkeiten
An den Buchsen 3 und 4 können Schalter zum Ein-
stellen von zusätzlichen Funktionen angeschlossen
werden. Näheres dazu erfahren Sie in Abschnitt 7.
Das nebenstehende Symbol kennzeichnet eine
Leitungsverbindung. Die sich hier kreuzenden
Leitungen müssen an einer beliebigen Stelle
(z. B. an einem Stecker an einer der kreuzen-
den Leitungen) ihres Verlaufs elektrisch leitend
miteinander in Verbindung stehen.
The symbol on the left designates a cable con
-
nection. The cables that cross here must be in
electrical contact with each other at some point
along their length (e.g. at a plug).
5. Funktionsablauf und
Einstellungen
Der Zug hrt z. B. von rechts auf das Bahnhofs-
gleis ein und erreicht zuerst den rechten Stoppab-
schnitt. Über die Gleisbesetztmeldung erkennt der
Aufenthaltsschalter, dass ein Zug von rechts ein-
Connecting daylight signals
You may connect two daylight signals to this timer
switch that can be automatically controlled (see
Fig. 3). The signal aspects will be changed slowly
as with the prototype.
Socket 5 supplies power to both signals (common
plus pole). Connect the wires from the signals with
the diodes (black mark) to socket 5. The red and
green signal cables are to be wired to sockets 6
(red) and 7 (green) for the “left” signal respectively
8 (red) and 9 (green) for the “right’” signal.
Further wiring possibilities
Switches for additional functions may be connected
to sockets 3 and 4. Please refer to
chapter 7 for
more information.
5. Operation and Adjustments
Let’s assume a train arrives from the right and first
reaches the right stop sector. Via the track oc
-
cupancy detector the timer switch detects a train
“from the right”. As soon as the train reaches the
brake sector it will slow down – the track voltage in

Other manuals for Viessmann 5208