EasyManua.ls Logo

ViewSonic VS11422 - Page 77

ViewSonic VS11422
89 pages
Print Icon
To Next Page IconTo Next Page
To Next Page IconTo Next Page
To Previous Page IconTo Previous Page
To Previous Page IconTo Previous Page
Loading...
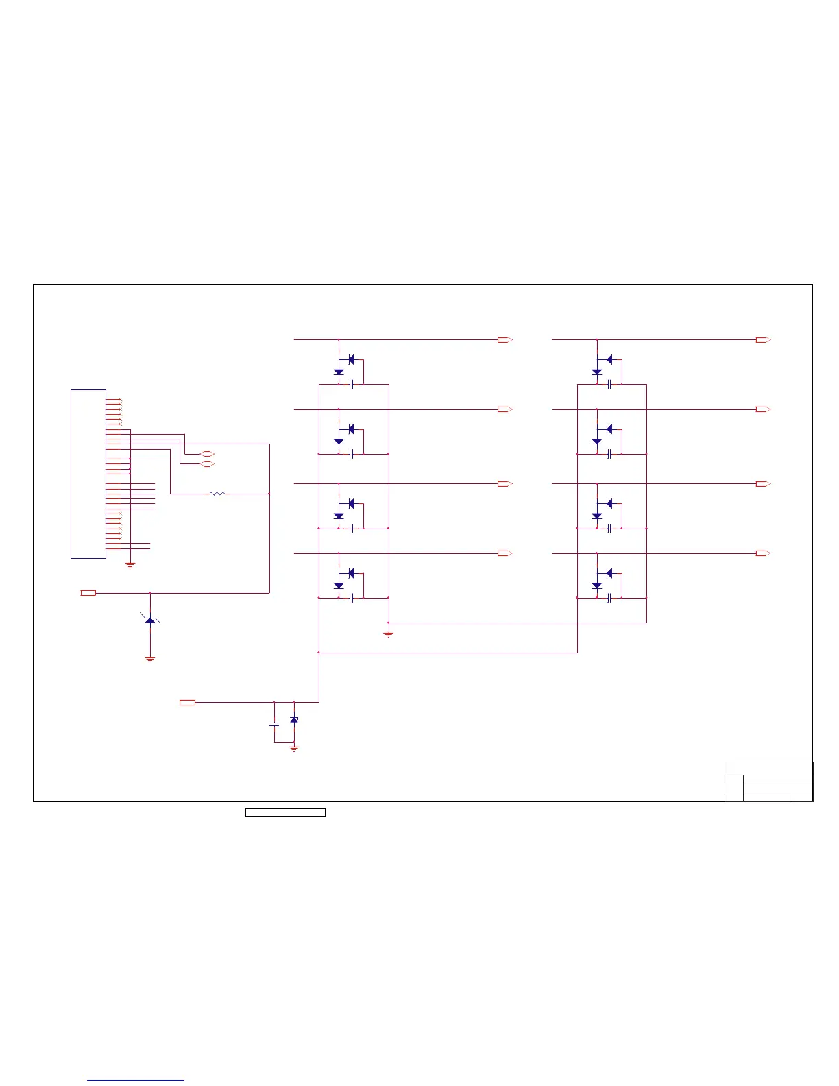
RX0NDATA0-
RX1PDATA1+ DATA1- RX1N
RX2P
CLK+ RXCNCLK-RXCP
DDC2_SCL
DATA0+
DATA0-
DATA1-
DATA1+
CLK-
CLK+
DATA2+
RX2NDATA2-DATA2+
DATA2-
DDC2_SDA
RX0PDATA0+
RX0N 5
RX1P 5 RX1N 5
RX2P 5 RX2N 5
RXCN 5RXCP 5
V33S5,6
DDC2_SDA 4
DDC2_SCL 4
BUS_POEWR4
RX0P 5
GND_POWER
GND_POWER
GND_POWER
GND_POWER
1
32
D8D8
C16C16
C22C22
1
32
D6D6
C20C20
1
32
D4D4
DAT2-
1
DAT2+
2
2/4shield
3
DAT4-
4
DAT4+
5
DDC SCL
6
DDC SDA
7
VSYNC
8
R
25
HSYNC
28
DAT1-
9
DAT1+
10
1/3shield
11
DAT3-
12
DAT3+
13
+5V
14
SYNC GND
15
HPD
16
G
26
RGB GND
29
DAT0-
17
DAT0+
18
0/5shield
19
DAT5-
20
DAT5+
21
clk shield
22
clk+
23
clk-
24
B
27
CON2CON2
1
32
D11D11
C18C18
1
32
D5D5
1
32
D9D9
C17C17
1
32
D7D7
C21C21
R18R18
C19C19
1
32
D10D10
C24C24
Z6Z6
1 2
Z5Z5
C23C23
Model
Title
Date Rev:
ViewSonic Corporation
DVI
ViewSonic Corporation Confidential - Do Not Copy VG2230wm-1
74

Related product manuals