EasyManua.ls Logo

ViewSonic VX712 - Page 24

ViewSonic VX712
87 pages
Print Icon
To Next Page IconTo Next Page
To Next Page IconTo Next Page
To Previous Page IconTo Previous Page
To Previous Page IconTo Previous Page
Loading...
- 24 –
ViewSonic Corporation
Confidential - Do Not Copy VX712
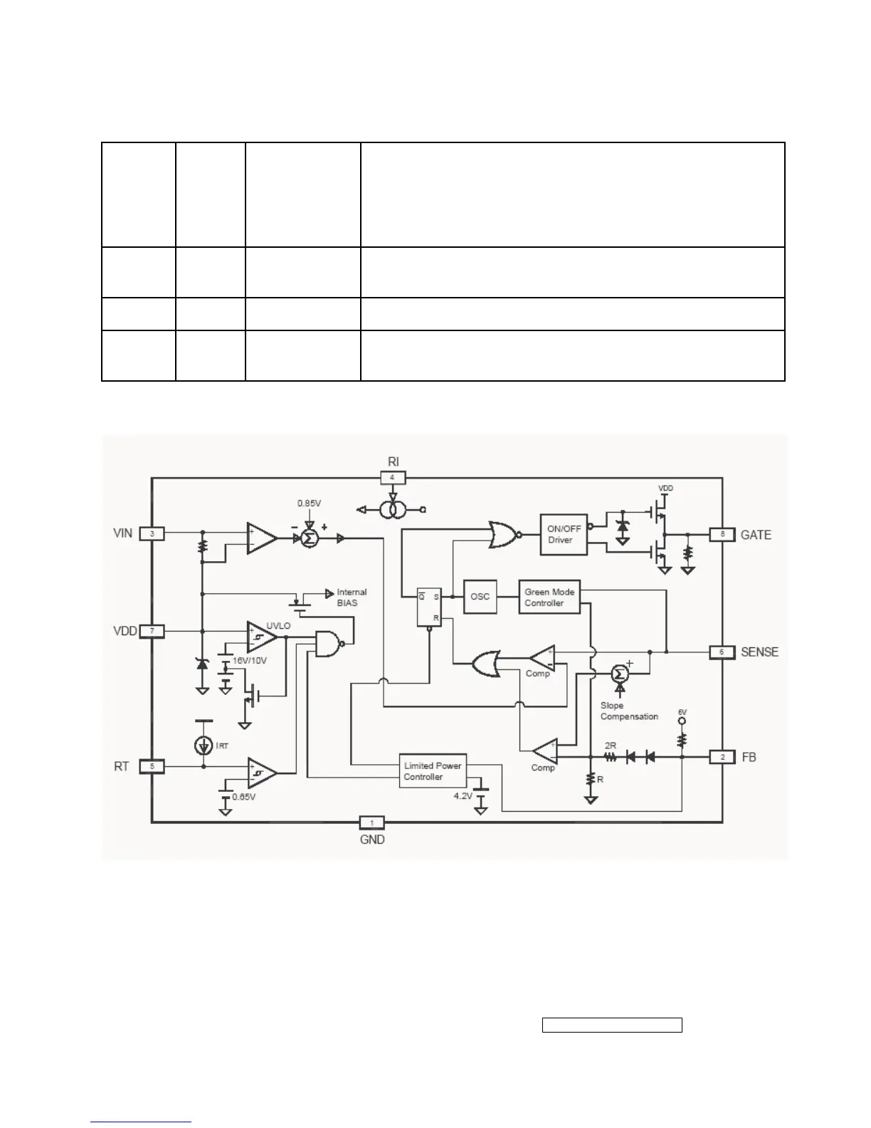
5 RT
Temperature
Protection
For over-temperature protection. An external NTC
thermistor is connected from this pin to ground. The
impedance of the NTC will decrease under high
temperature. Once the voltage on RT pin drops below a
fixed limit, the PWM output will be disabled.
6 SENSE Current Sense
Current sense. The sensed voltage is used for current
mode control and pulse-by-pulse current limiting.
7 VDD Power supply Power Supply.
8 GATE Driver Output
The totem-pole output driver for the power MOSFET. A soft
driving waveform is implemented to improve EMI.
Block Diagram

Related product manuals