EasyManua.ls Logo

Viking Range 30” W - Canadian 487 Dual Fuel Wiring Diagram

Default Icon
20 pages
Print Icon
To Next Page IconTo Next Page
To Next Page IconTo Next Page
To Previous Page IconTo Previous Page
To Previous Page IconTo Previous Page
Loading...
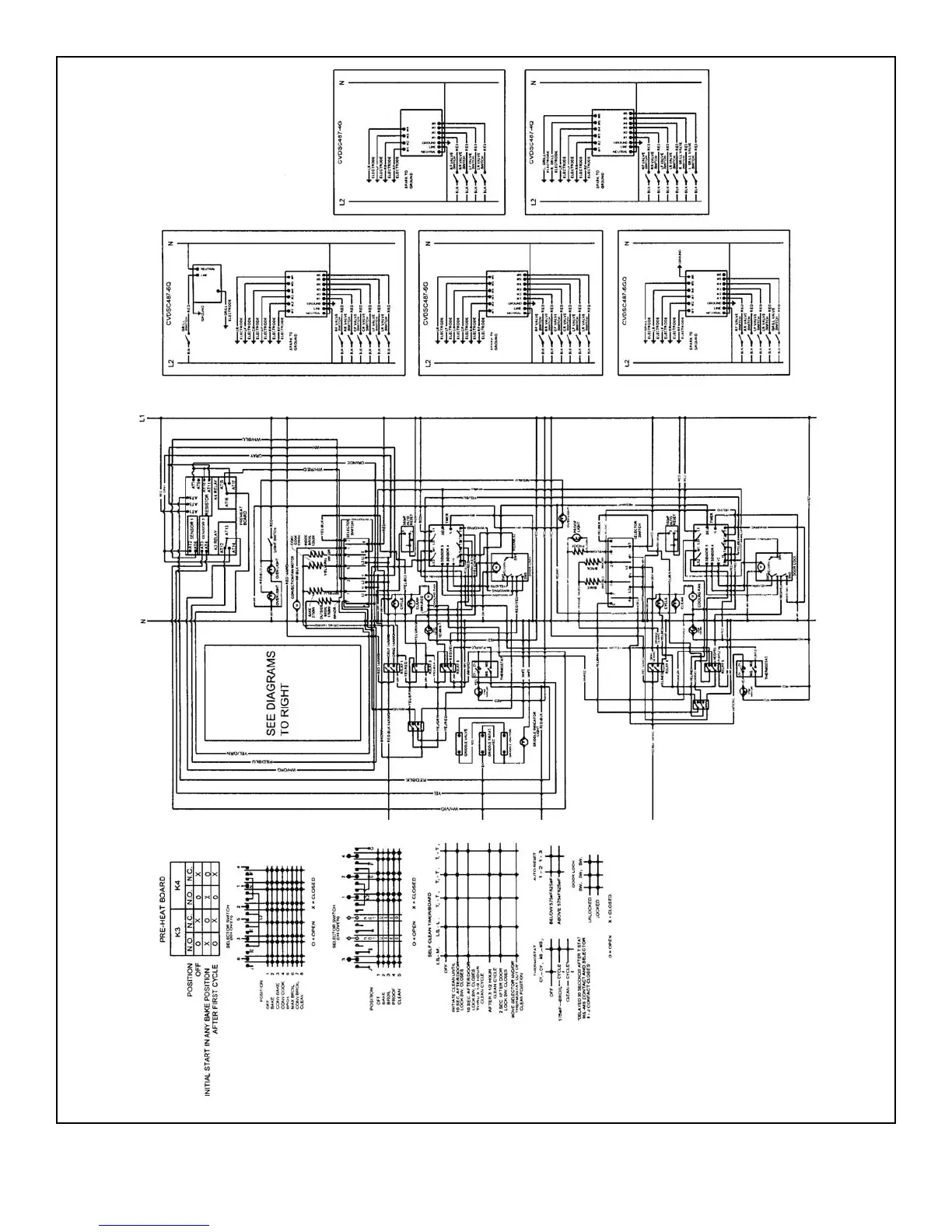
WIRING DIAGRAM
CANADIAN DUAL FUEL CVDSC487 RANGE
19
For connection to the factory installed terminal
block use aluminum or copper conductors.
WARNING: This unit must be grounded.
See Installation Instructions for proper grounding
procedures.
NOTE: Trailers or stirpes will be the second color
in a color combination.
CAUTION: Label all wires prior to
disconnection when servicing controls. Wiring
errors can cause improper and dangerous
operation. Verify proper operation after servicing

Related product manuals