EasyManua.ls Logo

Viking DMOR205SS - Page 15

Viking DMOR205SS
56 pages
Print Icon
To Next Page IconTo Next Page
To Next Page IconTo Next Page
To Previous Page IconTo Previous Page
To Previous Page IconTo Previous Page
Loading...
13
VMOR205SS
DMOR205SS
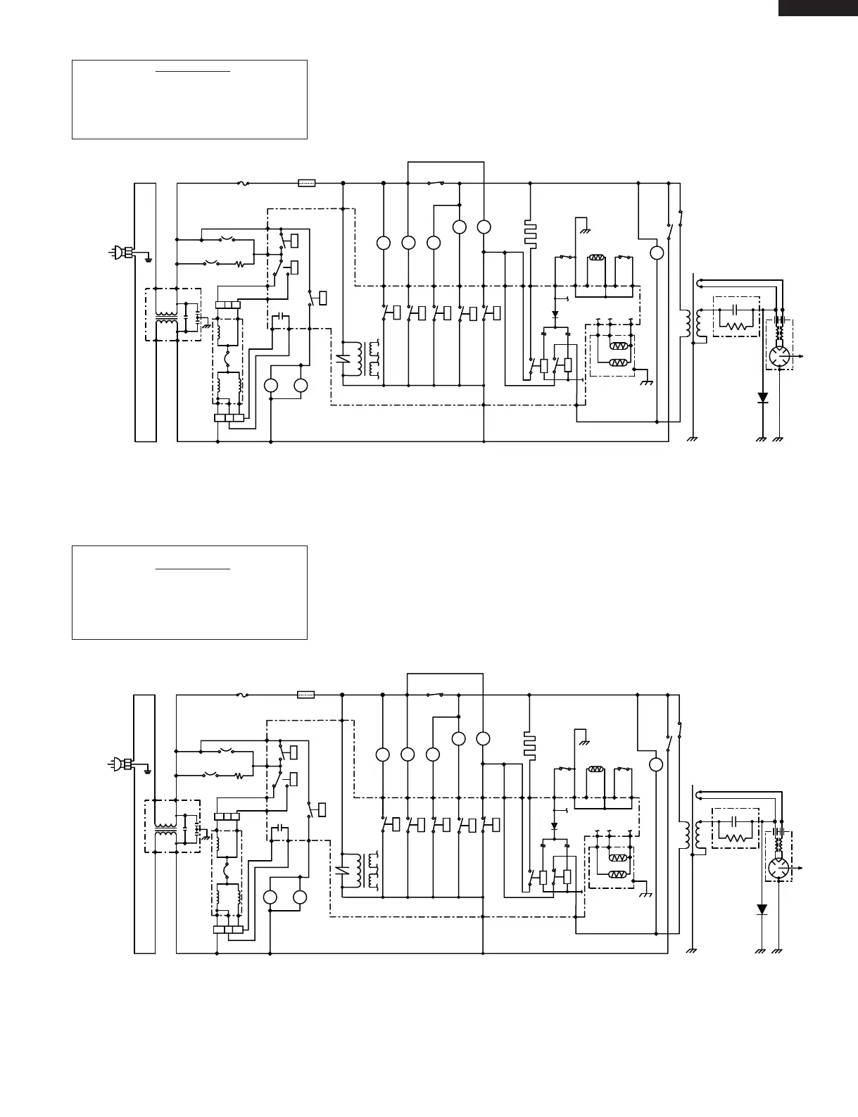
Figure O-1. Oven Schematic - Off Condition
SCHEMATIC
NOTE: CONDITION OF OVEN
1. DOOR CLOSED.
2. CLOCK APPEARS ON DISPLAY.
SCHEMATIC
NOTE: CONDITION OF OVEN
1. DOOR CLOSED.
2. COOKING TIME PROGRAMMED.
3. START PAD TOUCHED.
Figure O-2. Oven Schematic - Microwave Cooking Condition
3. Only certain models use the absolute humidity sensor.
2. Terminal with projection or opposite blue mark on lamp socket
1. Circuits / Wire colors subject to change without notice
NOTES:
must be connected to neutral wire.
YLW
ORG
ORG
4. Power transformer top (finish lead) terminal must be connected to the hot wire (RED)
BLK
RY10
RY9
RY6
B5
A5
RED
WHT
SWITCH
INTERLOCK
SECONDARY
RED
YLW
HOOD
BLK
WHT
CUTOUTS
THERMAL
HOOD FAN
BLK
RED
BLK
YLW
C1
CAPACITOR
A3
CONTROL UNIT
N.O.
C3
FAN MOTOR
OL
120VAC
60Hz
MOTOR
HOOD
A1
GND
C5
C7
DM
RY1
TTM
OVEN LAMP
CM
N.O.
STIRRER MOTOR
GRY
BLU
RED
GRN
ORG
TEMPERATURE
FUSE
MAGNETRON
BLK
F1
F2
F3
AH SENSOR
BLU
PPL
YLW
ORG
CONVECTION MOTOR
WHT
BLK, BRN
ORG
WHT
PPL
PNK
HEATING
ELEMENT
MONITOR
SWITCH
BLK
BLU, GRY
FM
RY7
RY4
RY5
VOLTAGE
HIGH
CAPACITOR
MAGNETRON
HIGH
VOLTAGE
RECTIFIER
TRANSFORMER
POWER
WHT
BLK
NOISE
RESISTOR
BRN,PNK
BRN
C9
RY8
TURNTABLE MOTOR
DAMPER MOTOR
B3
B1 B7
RY1
STM
BLK,BRN
RY3
RY2
BRN
COM.
RY2
COM.
RY3
RY2
WHT
COM.
BLK
RY1
DAMPER
SWITCH
THERMISTOR
SENSING
SWITCH
DOOR
PPL
RED
GRN
BRN
WHT
N.O.
RY3
E1
E2
E5
E6 E3
E4
INTERLOCK RELAY
PRIMARY
XXX μF
MONITOR
FUSE (20A)
YLW
BRN
WHT
GRY
WHT
YLW
GRN
GRY
GRY
WHT
NOISE
FILTER
(CONV. SIDE)
BLU
GRY
THIRD DOOR
SWITCH
PNK
ORG
ORG
ORG
ORG
ORG
PPL
BRN
BLK
PNK
BLK
RED
YLW
BRN
HOOD
LAMP
BRN
GRY
HL
HL
C1
C2
C3
RED
RED
3. Only certain models use the absolute humidity sensor.
2. Terminal with projection or opposite blue mark on lamp socket
1. Circuits / Wire colors subject to change without notice
NOTES:
must be connected to neutral wire.
YLW
ORG
ORG
4. Power transformer top (finish lead) terminal must be connected to the hot wire (RED)
BLK
RY10
RY9
RY6
B5
A5
RED
WHT
SWITCH
INTERLOCK
SECONDARY
RED
YLW
HOOD
BLK
WHT
CUTOUTS
THERMAL
HOOD FAN
BLK
RED
BLK
YLW
C1
CAPACITOR
A3
CONTROL UNIT
N.O.
C3
FAN MOTOR
OL
120VAC
60Hz
MOTOR
HOOD
A1
GND
C5
C7
DM
RY1
TTM
OVEN LAMP
CM
N.O.
STIRRER MOTOR
GRY
BLU
RED
GRN
ORG
TEMPERATURE
FUSE
MAGNETRON
BLK
F1
F2
F3
AH SENSOR
BLU
PPL
YLW
ORG
CONVECTION MOTOR
WHT
BLK, BRN
ORG
WHT
PPL
PNK
HEATING
ELEMENT
MONITOR
SWITCH
BLK
BLU, GRY
FM
RY7
RY4
RY5
VOLTAGE
HIGH
CAPACITOR
MAGNETRON
HIGH
VOLTAGE
RECTIFIER
TRANSFORMER
POWER
WHT
BLK
NOISE
RESISTOR
BRN,PNK
BRN
C9
RY8
TURNTABLE MOTOR
DAMPER MOTOR
B3
B1 B7
RY1
STM
BLK,BRN
RY3
RY2
BRN
COM.
RY2
COM.
RY3
RY2
WHT
COM.
BLK
RY1
DAMPER
SWITCH
THERMISTOR
SENSING
SWITCH
DOOR
PPL
RED
GRN
BRN
WHT
N.O.
RY3
E1
E2
E5
E6 E3
E4
INTERLOCK RELAY
PRIMARY
XXX μF
MONITOR
FUSE (20A)
YLW
BRN
WHT
GRY
WHT
YLW
GRN
GRY
GRY
WHT
NOISE
FILTER
(CONV. SIDE)
BLU
GRY
THIRD DOOR
SWITCH
PNK
ORG
ORG
ORG
ORG
ORG
PPL
BRN
BLK
PNK
BLK
RED
YLW
BRN
HOOD
LAMP
BRN
GRY
HL
HL
C1
C2
C3
RED
RED

Related product manuals