EasyManua.ls Logo

Viking VCSB423 - Wiring Diagram: 48 W. Dispenser Model; Electrical Grounding Instructions

Viking VCSB423
41 pages
Print Icon
To Previous Page IconTo Previous Page
To Previous Page IconTo Previous Page
Loading...
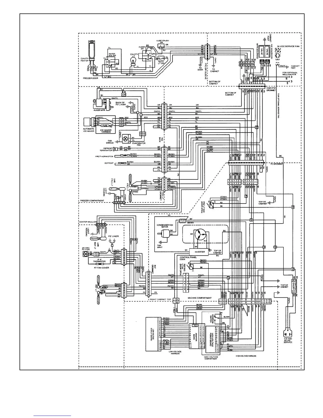
WIRING DIAGRAM
BUILT-IN SIDE-BY-SIDE 48” W. REFRIGERATOR - DISPENSER MODEL
VIKING RANGE CORPORATION
111 Front Street • Greenwood, Mississippi 38930 USA • (662) 455-1200
Specifications subject to change without notice
For more product information, call 1-888-VIKING1 (845-4644), or visit our web site at http://www.vikingrange.com
F20286A
(PS0204VR)
WWAARRNNIINNGG::
EELLEECCTTRRIICCAALL
GGRROOUUNNDDIINNGG
IINNSSTTRRUUCCTTIIOONNSS
This appliance is
equipped with a
three prong
grounding plug for
your protection
against shock
hazard and should
be plugged directly
into a properly
grounded three
prong receptacle.
DO NOT CUT OR
REMOVE THE
GROUNDING
PRONG FROM THIS
PLUG.
RREEFFEERR OONNLLYY TTOO
FFEEAATTUURREESS WWHHIICCHH
AARREE EEQQUUIIPPPPEEDD
WWIITTHH TTHHIISS UUNNIITT..

Related product manuals