EasyManua.ls Logo

Viking VMOS200 - Page 12

Viking VMOS200
48 pages
Print Icon
To Next Page IconTo Next Page
To Next Page IconTo Next Page
To Previous Page IconTo Previous Page
To Previous Page IconTo Previous Page
Loading...
10
CDMOS200
DMOS200
VMOS200
CVMOS200
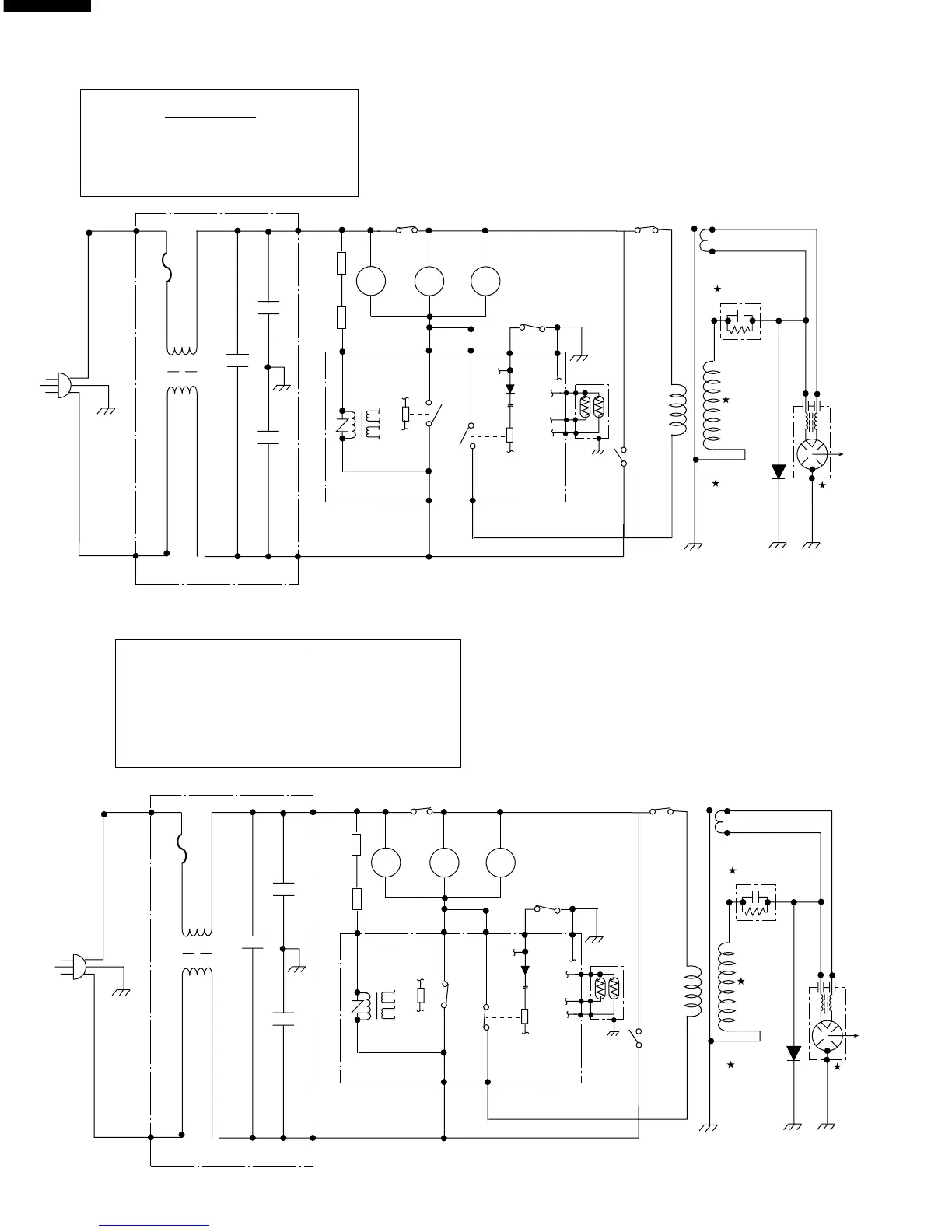
Figure O-2 Oven Schematic - Cooking Condition
Figure O-1 Oven Schematic - Off Condition
SCHEMATIC
NOTE: CONDITION OF OVEN
1. DOOR CLOSED
2. CLOCK APPEARS ON DISPLAY
SCHEMATIC
3. VARIABLE COOKING CONTROL "HIGH"
2. COOKING TIME PROGRAMMED
1. DOOR CLOSED
NOTE: CONDITION OF OVEN
4. "START" PAD TOUCHED
OL
120V AC
60 Hz
MONITOR
SWITCH
H.V. R ECTIFIER
MAG NE TR ON
SECONDARY
SWITCH
MONITOR
FUSE
CAVITY
TEMP.
FUSE
MAG NE TR ON
TEMP.
FUSE
A1
A2
COM.
N.C.
(R Y -1)
CONTROL UNIT
SECONDARY
INTE R LOCK
RELAY
GRN
POWER
TRANSFORMER
CAPACITOR 1.0µF
AC 2300V
FM
TTM
(R Y -2)
N.O.COM.
N.O.
COM.
B1
B2
PRIMARY
SWITCH
H
N
NOIS E F ILTE R UNIT
N.O.
COM.
DOOR
SENSING
SWITCH
NOISE SUPPRESSION COIL
LINE CROSS CAPACITOR
0.22uF/AC 250V
0.0033uF/AC 125V
0.0033uF/AC 125V
LINE BYPASS CAPACITOR LINE BYPASS CAPACITOR
N.O.
COM.
COM.
OL
120V AC
60 Hz
MONITOR
SWITCH
H.V. R E C TIFIE R
MAG NE TR ON
SECONDARY
SWITCH
MONITOR
FUSE
CAVITY
TEMP.
FUSE
MAG NE TR ON
TEMP.
FUSE
A1
A2
COM.
N.C.
(R Y -1)
CONTROL UNIT
SECONDARY
INTE R LOCK
RELAY
GRN
POWER
TRANSFORMER
CAPACITOR 1.0µF
AC 2300V
FM
TTM
(R Y -2)
N.O.COM.
N.O.
COM.
B1
B2
PRIMARY
SWITCH
H
N
NOISE FILTER UNIT
N.O.
COM.
DOOR
SENSING
SWITCH
NOIS E S UP PR E S S ION COIL
LINE CROSS CAPACITOR
0.22uF/AC 250V
0.0033uF/AC 125V
0.0033uF/AC 125V
LINE BYPASS CAPACITOR LINE BYPASS CAPACITOR
N.O.
COM.
COM.
AH S E NS OR

Other manuals for Viking VMOS200

Related product manuals