EasyManua.ls Logo

VisionNet 560780 - Special Power Supply; Reader Mode Diagram

VisionNet 560780
9 pages
Print Icon
To Next Page IconTo Next Page
To Next Page IconTo Next Page
To Previous Page IconTo Previous Page
To Previous Page IconTo Previous Page
Loading...
- 4 -
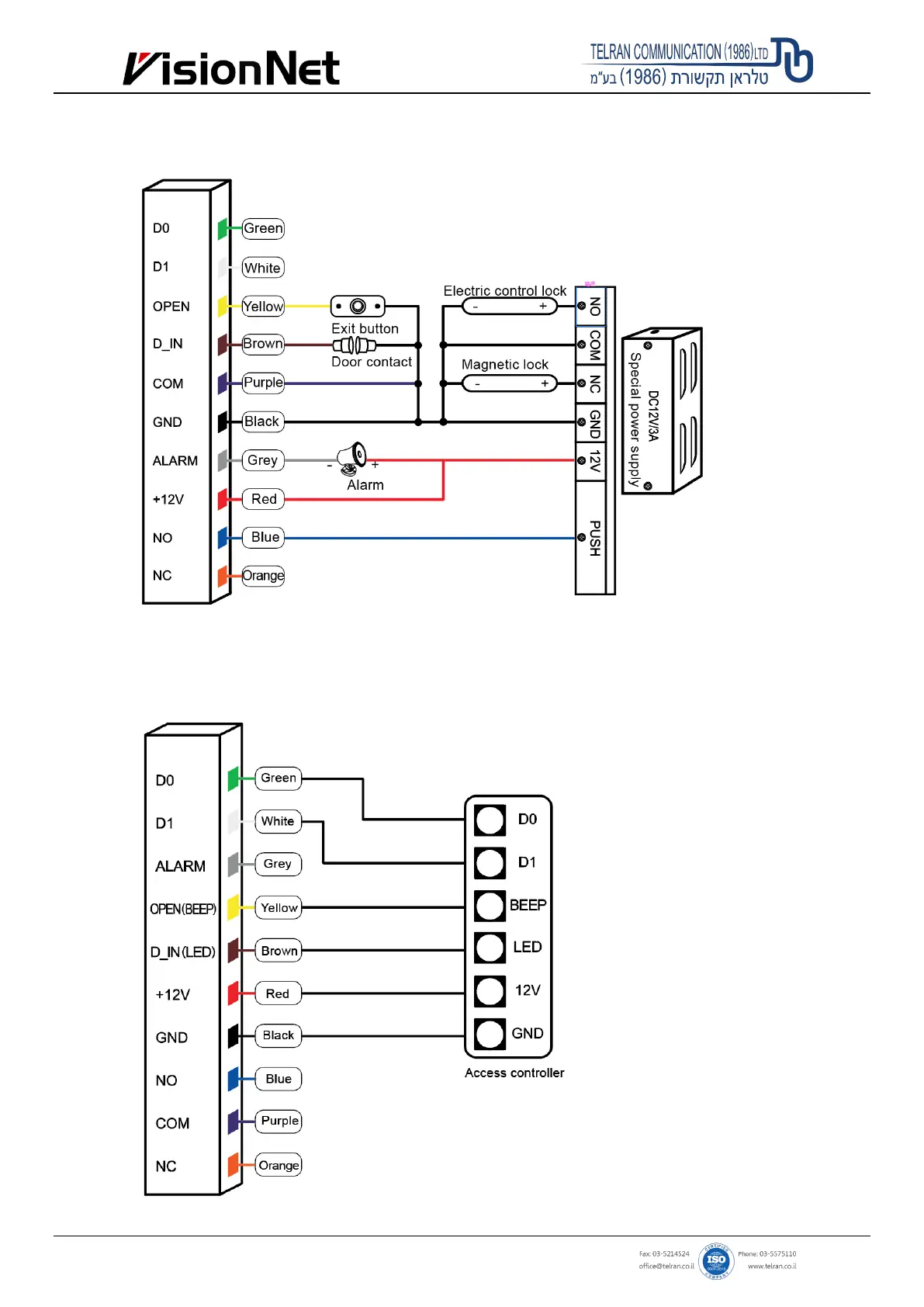
6.2 Special Power Supply
Note: The door contact and alarm function are optional
6.3 Reader Mode