EasyManua.ls Logo

Vivotek FE9181-H - Page 16

Vivotek FE9181-H
341 pages
Print Icon
To Next Page IconTo Next Page
To Next Page IconTo Next Page
To Previous Page IconTo Previous Page
To Previous Page IconTo Previous Page
Loading...
VIVOTEK
16 - User's Manual
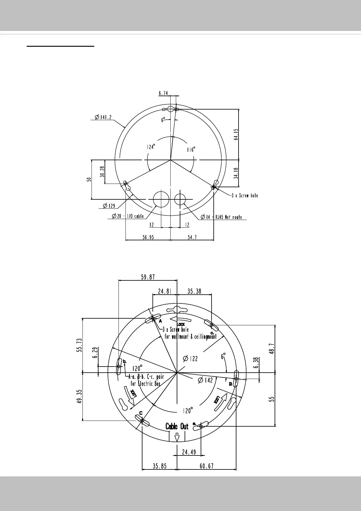
Mounting Positions
Refer to the diagram on the right for the mounting hole positions and the dimensions of the base
plate.
Camera Base Plate Mounting
Positions
Camera Mounting Plate Mounting Positions

Table of Contents

Other manuals for Vivotek FE9181-H

Related product manuals