EasyManua.ls Logo

Vivotek IP8161 - Status Led

Vivotek IP8161
157 pages
Print Icon
To Next Page IconTo Next Page
To Next Page IconTo Next Page
To Previous Page IconTo Previous Page
To Previous Page IconTo Previous Page
Loading...
VIVOTEK
User's Manual - 5
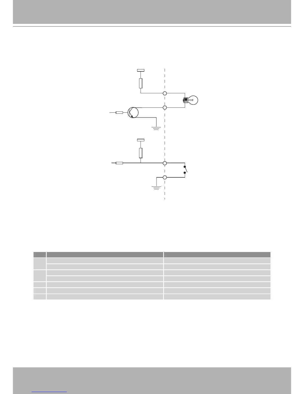
DI/DO Diagram
Please refer to the following illustration for the connection method�
12V
+12V
Digital output
PIN 1
Power+12V
PIN 2
Digital input
PIN 3
Ground
PIN 4
Status LED
The LED indicates the status of the Network Camera�
Item LED status Description
1
Steady Red Power on and system booting
Red LED unlighted Power off
2
Steady Red + Blink Green every 1 sec� Network works (heartbeat)
Steady Red + Green LED unlighted Network fail
3 Steady Red + Blink Green every 2 sec� Audio mute (heartbeat)
4 Blink Red every 0�15 sec� + Blink Green every 1 sec� Upgrading Firmware
5 Blink Red every 0�15 sec� + Blink Green every 0�15 sec� Restore default

Table of Contents

Other manuals for Vivotek IP8161

Related product manuals