EasyManua.ls Logo

Vivotek IP8355H - 2 Physical Description

Vivotek IP8355H
134 pages
Print Icon
To Next Page IconTo Next Page
To Next Page IconTo Next Page
To Previous Page IconTo Previous Page
To Previous Page IconTo Previous Page
Loading...
VIVOTEK
6 - User's Manual
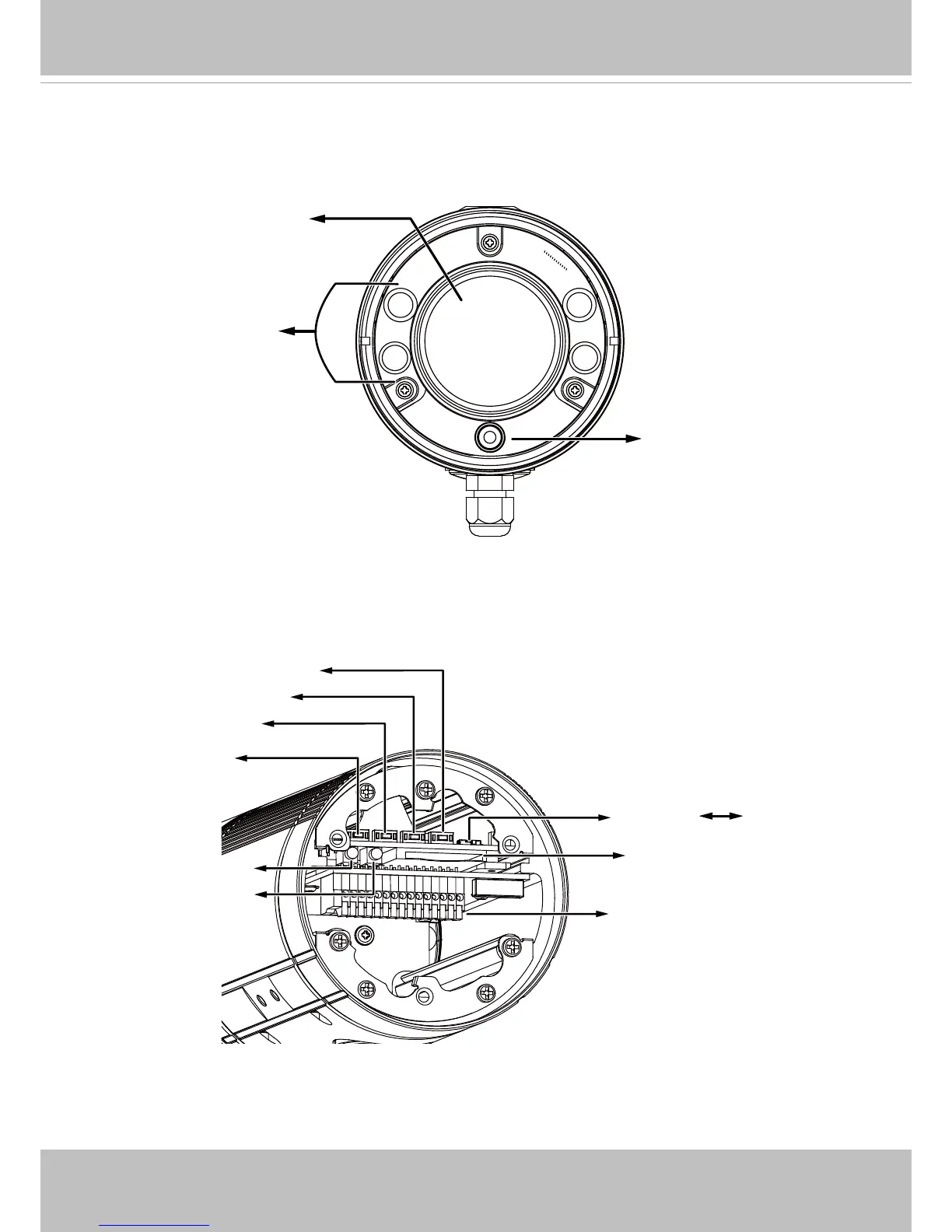
2. Physical Description
IR LEDs
Lens
Light Sensor
NTSC-PAL switch
General I/O Terminal Block
Reset Button
SD/SDHC/SDXC Card Slot
NTSC
PAL
Auto Focus
Zoom in
Zoom out
Red LED
Green LED

Related product manuals