EasyManua.ls Logo

Vivotek IP8372 - Page 7

Vivotek IP8372
201 pages
Print Icon
To Next Page IconTo Next Page
To Next Page IconTo Next Page
To Previous Page IconTo Previous Page
To Previous Page IconTo Previous Page
Loading...
VIVOTEK
User's Manual - 7
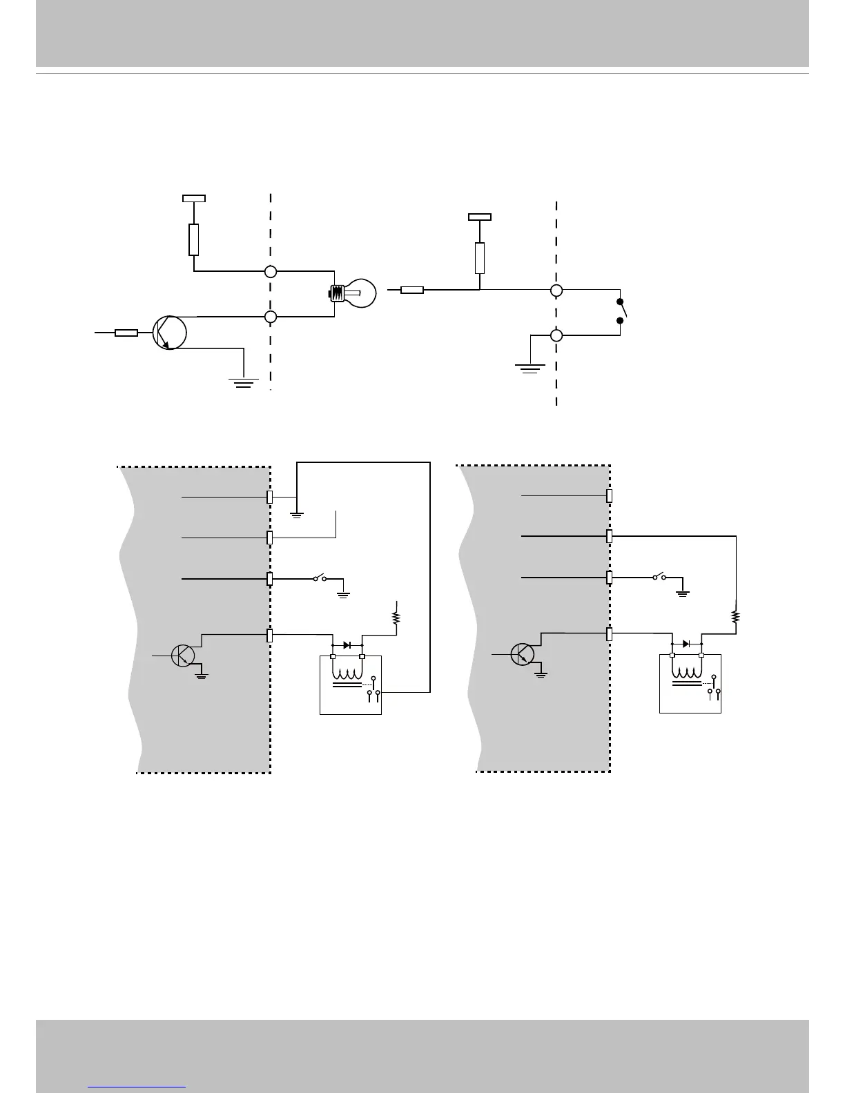
DI/DO Diagram
Please refer to the following illustration for the connection method.
12V
+12V
Digital output
PIN 1
Power+12V
PIN 2
Digital input
PIN 3 or 5
Ground
PIN 4 or 6
Gnd
Camera Power
Input
Output
4
1
5 or 6
2
+30
VDC
Max.
VDC
Switch
Relay
BJT transistor
Gnd
Camera Power
Input
Output
4
1
5 or 6
2
+12
VDC
VDC
Switch
Relay
BJT transistor

Table of Contents

Other manuals for Vivotek IP8372

Related product manuals