EasyManua.ls Logo

Volvo B 200 E - Page 48

Volvo B 200 E
108 pages
Print Icon
To Next Page IconTo Next Page
To Next Page IconTo Next Page
To Previous Page IconTo Previous Page
To Previous Page IconTo Previous Page
Loading...
Group
28
Ignition
systems
Design
and
function
-
System
descriptions
,
000
IS
so
2
3
~
, ' ; 5
86
'-
'
'7
t
0
,
RENIX-F
147106
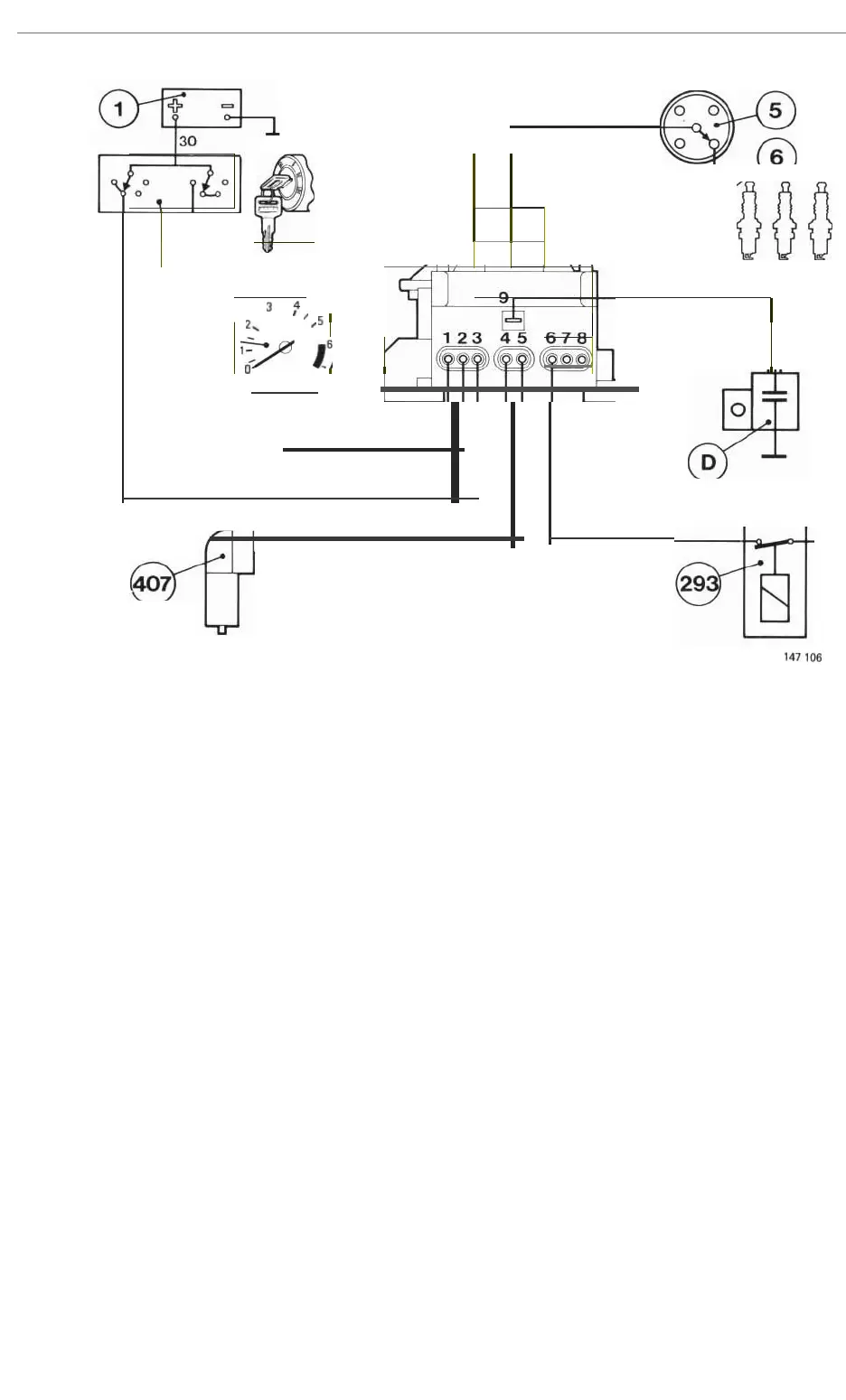
Control unit connections
1.
Supplies
speed
signals
to
rev
counter
(86).
2.
Co
nne
cts con
trol
unit
(406)
to
ground.
3.
Receives
supply
fr
om
battery
(1) via
igni
t
ion
switch
{21.
4.
Receives
engine
speed
and
crankshaft
position
signals
from
speed/position
pick-up (407
).
5.
Receives
engine
speed
and
crankshaft
position
signals
from
speed/position
pick-up (407).
6.
Receives
signal
from
idling
advance relay (293)
on
ca
rs
with
automatic
transmission
and/or
AC.
7.
Spare.
8.
Spare.
9.
Connect
ed
to
radio
interference suppressi
on
capac
itor
(D).
46

Related product manuals