EasyManua.ls Logo

Volvo B 200 E - Page 61

Volvo B 200 E
108 pages
Print Icon
To Next Page IconTo Next Page
To Next Page IconTo Next Page
To Previous Page IconTo Previous Page
To Previous Page IconTo Previous Page
Loading...
Group
28
Ign
it
io
n
systems
Design
and
function
-
System
descriptions
o
,
1
<:::>
<:::>
"
,
<:::>
"
"
,
"
"
,
8
"
413
"
00
0
,
"
,
,
, ,.
,
,
"
1.
7
111
1
,
EZ-116K
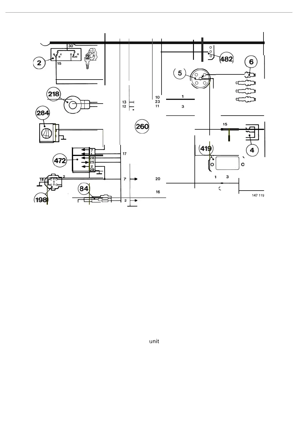
Control unit connections
1.
Transmits
signals
to
diagnostic
unit
(482)
during
fault
trac
ing.
2.
Receives
analogue
engine
temp
e
ratur
e signal
from
t
emperature
sensor
(8
4
).
4.
Transmits
knock-
co
ntroll
ed fuel
enrichment
signal
to
fuel system con
tr
ol
unit
(4
721.
5.
Receives
power
directly
from
battery
(1).
6.
Receives
power
from
battery
(1) across
ignit
i
on
sw
itch (2)
terminal
1
5.
7.
Receives
signal
from
throttle
switch
(198)
when
throttle
is
closed
.
8.
Re
ceives
engine
load
signa
l
fr
om
ai
r mass
meter
(284)
via
fuel
system
control
uni
t (472).
10
.
Rece
ives e
ngin
e speed
and
c
ra
nkshaft
pos
ition
signal
from
speed/
po
sition
pic
k-
up
(
41
3).
11
.
Ground
s screen
of
lead
from
sp
eed/
pos
i
ti
on
pick-
up
(413).
12.
Grounds
screen of lead
fr
om
knock sensor
(2
18
).
13
.
Rece
ives
signa
ls
fr
om
kno
ck
se
nsor \218).
16
. Trans
mit
s ig
nition
pulses
to
power
stage (419
).
1
7.
Transmit
s
speed
i
nformati
on
to
fuel
system
co
ntr
ol u
nit
(472).
20
.
Grounds
con
trol
unit
(260).
23
.
Re
ceives
engine
spee
d
and
crankshaft
position
signals
fr
om
speed/
position
pick-up (413).
Power stage connections
1.
Contr
ols pri
mary
current
in
ignition
coil (4
).
2.
Grounds
power
s
tag
e (
41
9).
3.
Grounds
screen of lead
from
co
ntr
ol
unit
(260) t
ermi
nal 16.
4. Receives power from
battery
(1)
ac
ross i
gni
tion
swi
t
ch
(2).
5.
Receives
igni
tion
pulses
from
con
tro
l
unit
(260).
59

Related product manuals