EasyManua.ls Logo

Volvo EC460B - Hammer and Shear Circuit (1-Switch)

Volvo EC460B
339 pages
Print Icon
To Next Page IconTo Next Page
To Next Page IconTo Next Page
To Previous Page IconTo Previous Page
To Previous Page IconTo Previous Page
Loading...
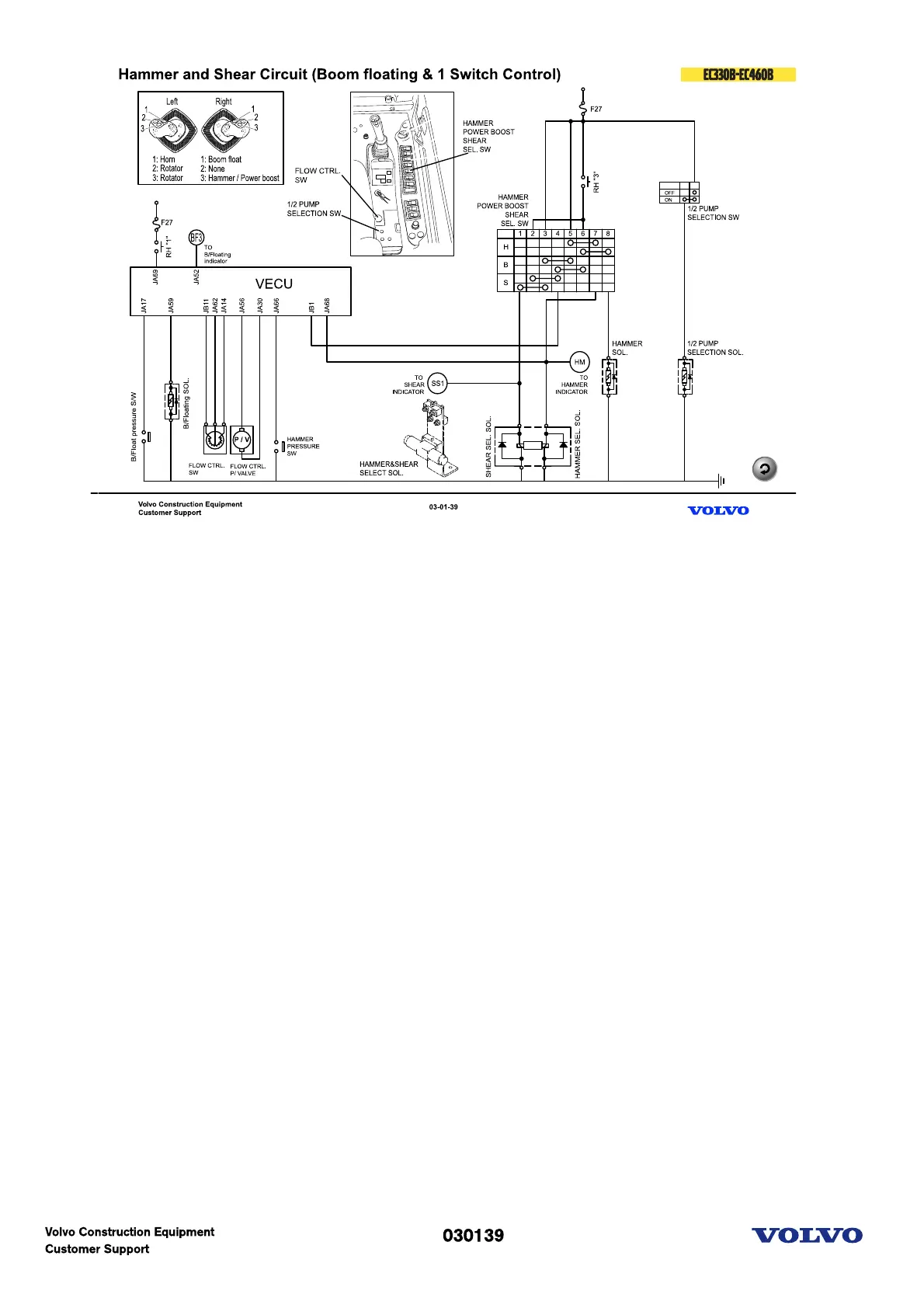
Hammer and Shear circuit(Boom floating & 1-switch control)
This option is brought with pedal in the X1 cirucit.
Single acting(hammer) is operated by joystick button and pedal. In this case, RH joystick 3 can be used
for hammer or power boost according to the position of hammer&shear select switch.
But double acting(shear) is operated by only the pedal.
And RH joystick 1 can be used for boom floating function. Boom floating is to make both chamber of
cylinder connected to tank.
Picture text:

Related product manuals