EasyManua.ls Logo

Volvo EC460B - Page 90

Volvo EC460B
339 pages
Print Icon
To Next Page IconTo Next Page
To Next Page IconTo Next Page
To Previous Page IconTo Previous Page
To Previous Page IconTo Previous Page
Loading...
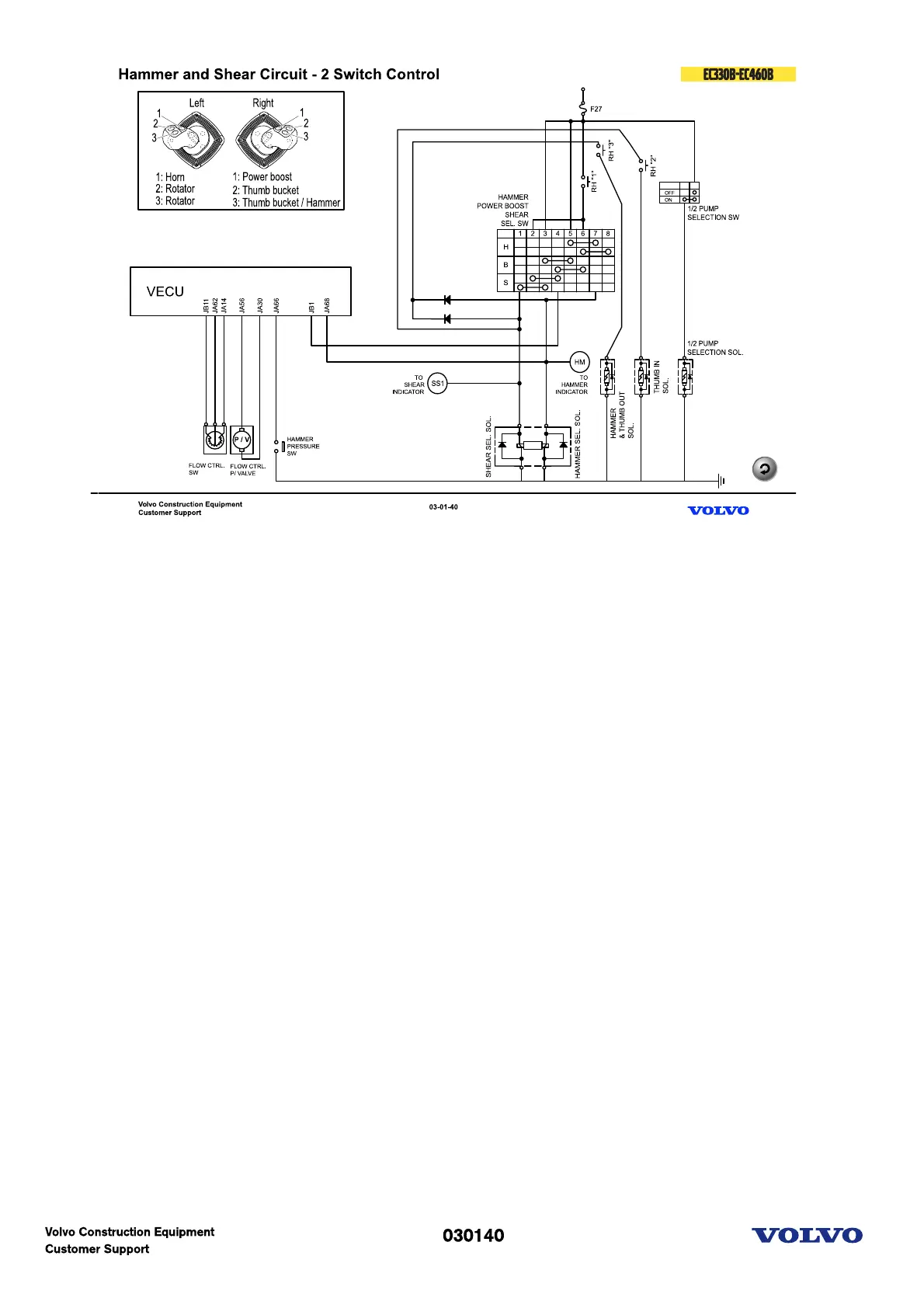
Hammer and Shear circuit(2-switch control)
This option is brought with one more solenoid valve for double acting without the pedal.
Single acting(hammer) is operated by joystick button. In this case, RH joystick 3 can be used for hammer.
But double acting(shear) is operated by RH joystick 3 & 2.
And RH joystick 1 can be used for one-touch power boost.
Picture text:

Related product manuals