EasyManua.ls Logo

Volvo EC460B - Quick Fit and Rotator Circuit

Volvo EC460B
339 pages
Print Icon
To Next Page IconTo Next Page
To Next Page IconTo Next Page
To Previous Page IconTo Previous Page
To Previous Page IconTo Previous Page
Loading...
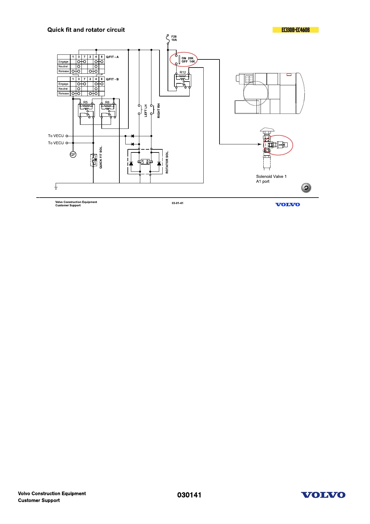
Quick fit and rotator circuit
These two systems can be activated after lifting up the safety lever. Lifting safety lever activate pressure
switch then turn on the R12.
This is safety function for this option hydraulic.
Picture text:

Related product manuals