EasyManua.ls Logo

VRG Controls VPC BV Series - Atm

VRG Controls VPC BV Series
60 pages
Print Icon
To Next Page IconTo Next Page
To Next Page IconTo Next Page
To Previous Page IconTo Previous Page
To Previous Page IconTo Previous Page
Loading...
VRG CONTROLS LLC. 40 of 60 JUNE 2021
VPC “BV” SERIES VALVE PILOT CONTROLLERS
INSTRUCTION MANUAL
VPC “BV” SERIES VALVE PILOT CONTROLLERS
INSTRUCTION MANUAL
VRG Controls LLC. 38 of 54 APRIL 21, 2019
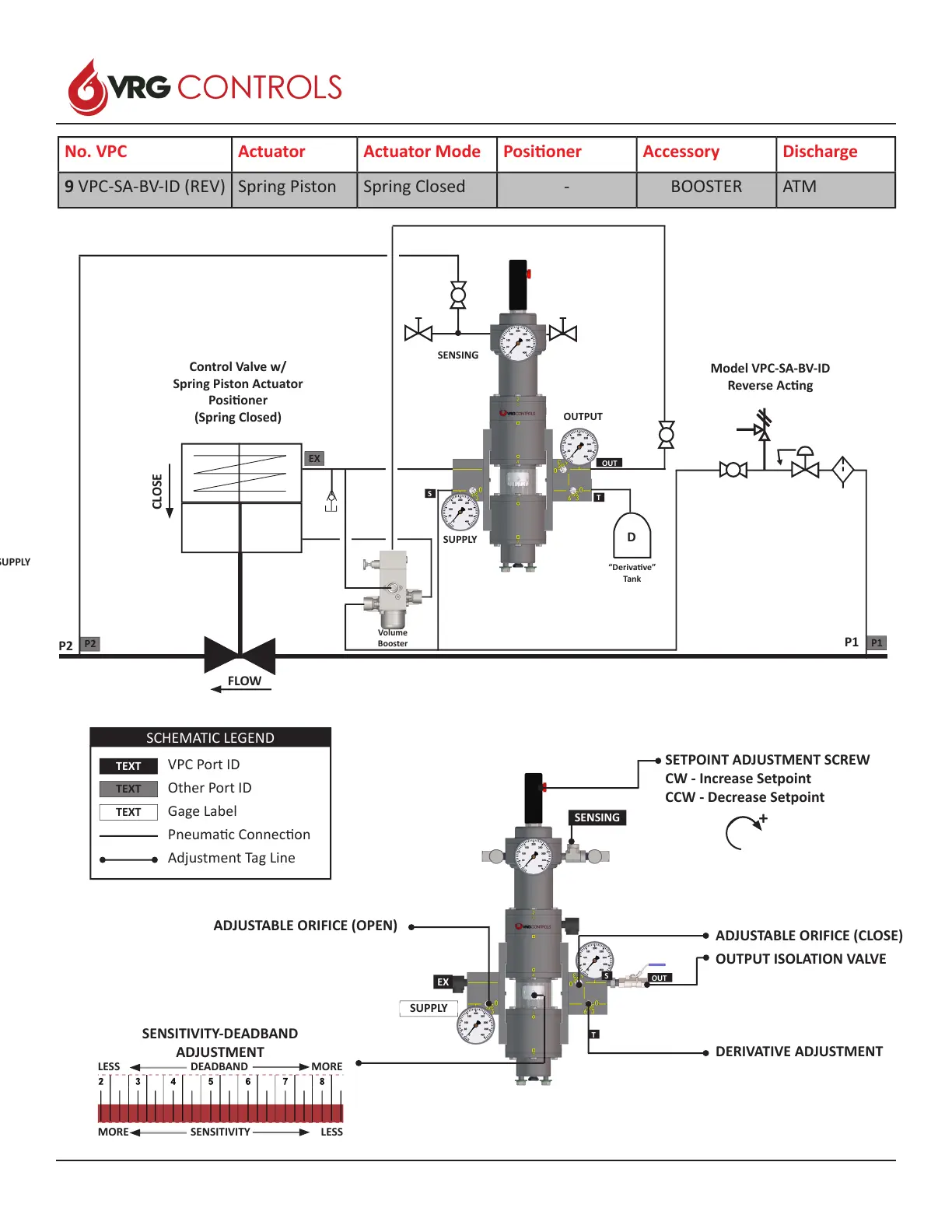
SUPPLY
No. VPC Actuator Actuator Mode Posioner Accessory Discharge
9 VPC-SA-BV-ID (REV) Spring Piston Spring Closed - BOOSTER ATM
LESS DEADBAND MORE
MORE SENSITIVITY LESS
ADJUSTABLE ORIFICE (CLOSE)
ADJUSTABLE ORIFICE (OPEN)
OUT
S
EX
SENSITIVITY-DEADBAND
ADJUSTMENT
+
SUPPLY
OUTPUT ISOLATION VALVE
T
DERIVATIVE ADJUSTMENT
SETPOINT ADJUSTMENT SCREW
CW - Increase Setpoint
CCW - Decrease Setpoint
SENSING
P2
P1
FLOW
P1
P2
CLOSE
Control Valve w/
Spring Piston Actuator
Posioner
(Spring Closed)
S
SENSING
Model VPC-SA-BV-ID
Reverse Acng
EX
D
“Derivave”
Tank
T
OUT
Volume
Booster
OUTPUT
SUPPLY
VPC Port ID
Other Port ID
Gage Label
Pneumac Connecon
Adjustment Tag Line
TEXT
TEXT
TEXT
SCHEMATIC LEGEND

Related product manuals