EasyManua.ls Logo

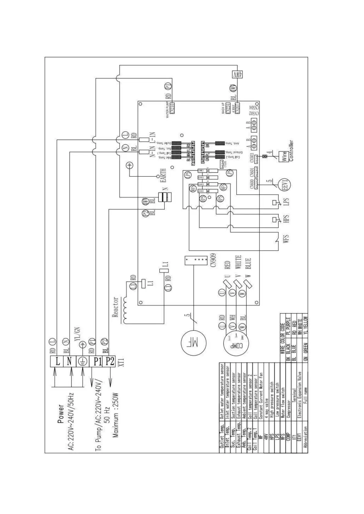
W'eau WFI-013 - Electric Wiring Diagram WFI-013;017;021

Default Icon
32 pages
Print Icon
To Next Page IconTo Next Page
To Next Page IconTo Next Page
To Previous Page IconTo Previous Page
To Previous Page IconTo Previous Page
Loading...
- 11 -
WFI-013/017/021

Related product manuals