EasyManua.ls Logo

Wacker Neuson RD 7H - RD 7 H ES-Schéma Électrique

Wacker Neuson RD 7H
168 pages
Print Icon
To Next Page IconTo Next Page
To Next Page IconTo Next Page
To Previous Page IconTo Previous Page
To Previous Page IconTo Previous Page
Loading...
RD 7 Schémas
wc_tx001856fr.fm FR-68
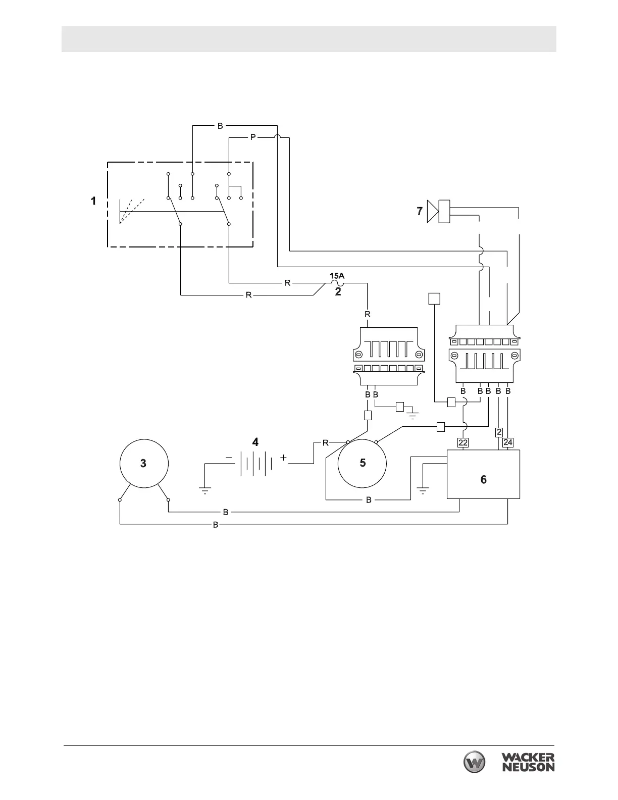
8.5 RD 7H ES—Schéma électrique
wc_gr003663
123456
213456
4
1
3
Br
P
B
R
0
8

Table of Contents

Related product manuals