EasyManua.ls Logo

Walker MC (18 HP) - Page 53

Walker MC (18 HP)
88 pages
Print Icon
To Next Page IconTo Next Page
To Next Page IconTo Next Page
To Previous Page IconTo Previous Page
To Previous Page IconTo Previous Page
Loading...
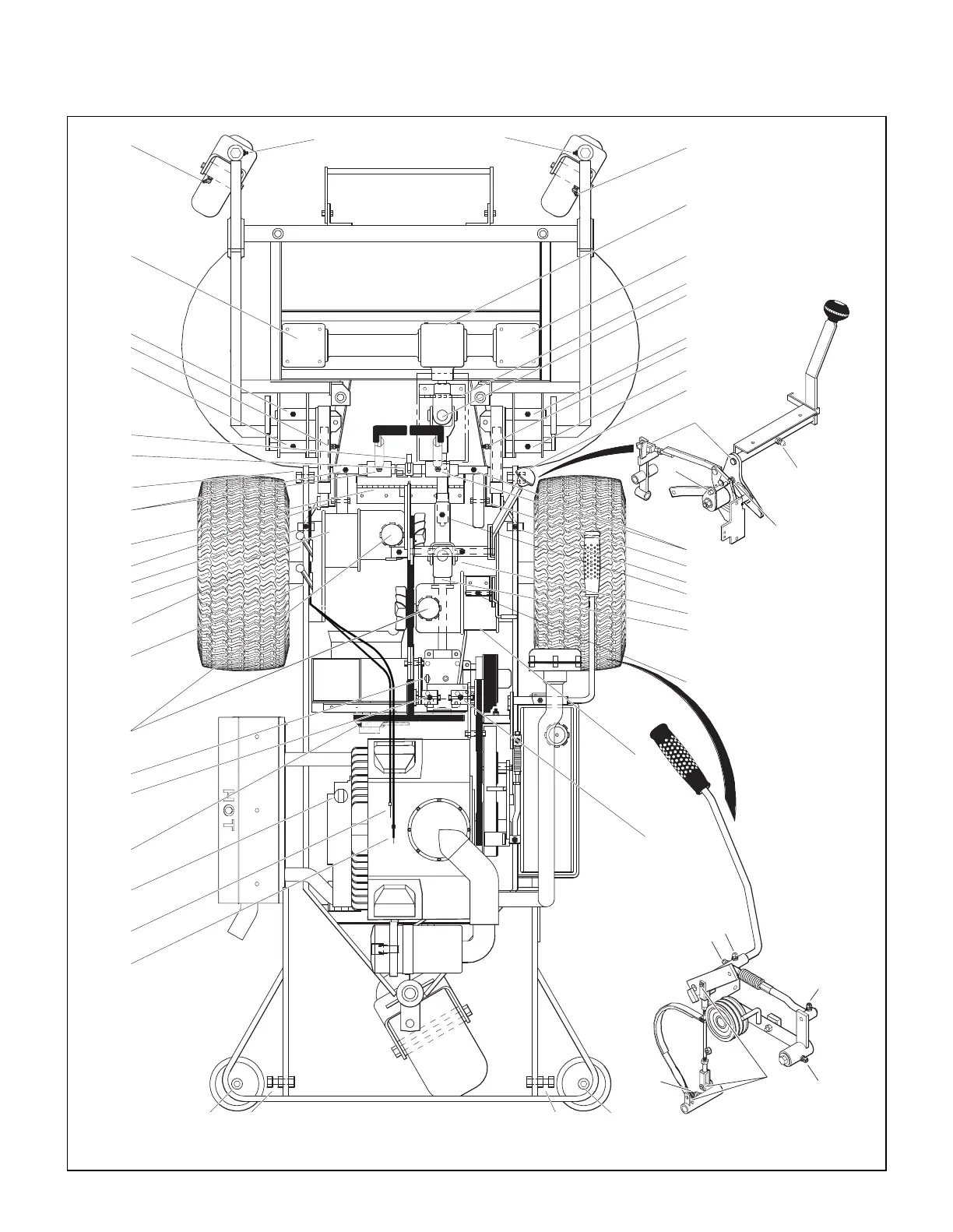
Maintenance Instructions LUBRICATION
49
2
10
13
11
12
23
25
23
24
27
26
2
11
4
8
7
7
29 29
32
31
30
28 28
32 & 37
33
21
22
31 & 38
35
36
34
9
41
40
14
39
15
16
21
3
4
5
6
7
7
8
9
15
14
17
18
19
20
16
Chassis and Deck Lubrication Points

Table of Contents

Related product manuals