EasyManua.ls Logo

Walker MC (18 HP) - Wiring Diagram - Model MC

Walker MC (18 HP)
88 pages
Print Icon
To Next Page IconTo Next Page
To Next Page IconTo Next Page
To Previous Page IconTo Previous Page
To Previous Page IconTo Previous Page
Loading...
80
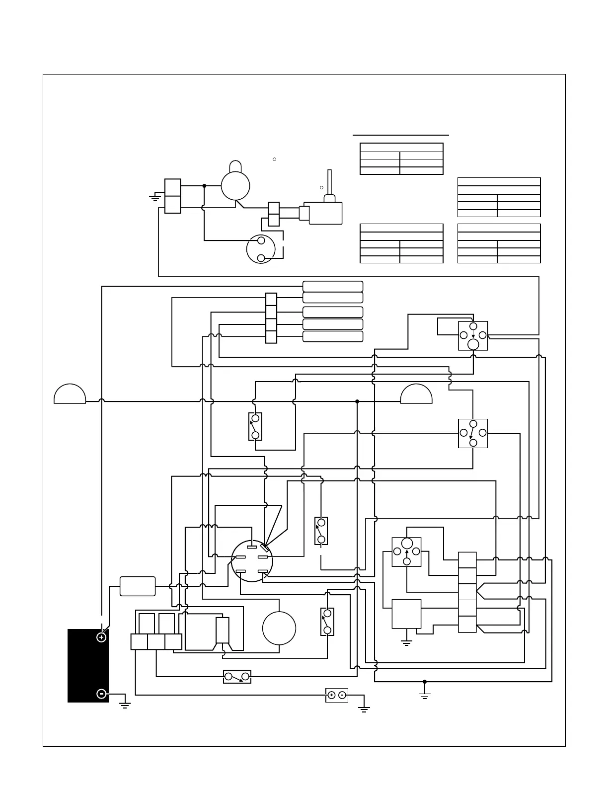
Maintenance Instructions ELECTRICAL SYSTEM
Wiring Diagram - Model MC
B
A
M
S1
S2
G
87
30
8586
30
8685
8586
87A
87A
30
STARTER SOLENOID
STARTER
RECTIFIER/REGULATOR
MAGNETO
OIL PRESSURE SWITCH
ENGINE
CASE GROUND
TO MOTOR MOUNT
POWERFIL
MOTOR
GRASS PAK
SWITCH
R
R
HORN
OPTIONAL
LIGHT
OPTIONAL
LIGHT
30 AMP
CIRCUIT
BREAKER
CHASSIS
GROUND
BATTERY
OIL
PRESSURE
LIGHT
OPTIONAL
LIGHTS
5 AMP
CIRCUIT
BREAKER
PTO
INTERLOCK
SWITCH
HOUR METER
SEAT
SWITCH
TIME
DELAY
MODULE
FSC
RELAY - B
RELAY - C
RELAY - A
NEUTRAL
INTERLOCK
SWITCH
OFF
RELAY - A
IGNITION RELAY
START
PTO ON
OPEN
30 + 87A
30 + 87A
OFF
RELAY - B
START RELAY
START
PTO ON
OPEN
30 + 87
OPEN
OFF
RELAY - C
DELAY RELAY
START
RUN
OPEN
OPEN
30 + 87A
WALKER MODEL MC
Beginning S/N 2001-49399
S1 = START CIRCUIT
S2 = START/ACCESSORY CIRCUIT
M = MAGNETO GROUND CIRCUIT
B = BATTERY CIRCUIT
A = ACCESSORY CIRCUIT
G = GROUND CIRCUIT
IGNITION SWITCH CIRCUITS
OFF
START
RUN
G + M
B + A / S1 + S2
B + A
ORG
ORG
BLK
BLK
BLK
BLK
BLU
ORG
ORG
BRN
BLK
YEL
YEL
RED
PUR
WHT
WHT
BLU
PUR
PUR
PUR
RED
RED
BRN GRA
BLK/WHT
GRN
REDRED
BLU
BLK
BLK
RED
RED RED
RED
RED
YEL
BLK
BLK
WHT
RED
RED
BRN/WHT
GRN
PUR
YEL
WHT
GRN
BLK
WHT
RED
GRAGRA
BRN
BLK
BLK
BRN
GRA GRA
GRN
GRA
ORG
PUR
WHT
WHT
WHT
WHT
RED RED
GRN
BRN
BRN/WHT
WHT
+
-

Table of Contents

Related product manuals