EasyManua.ls Logo

Walker MTL - Page 59

Walker MTL
100 pages
Print Icon
To Next Page IconTo Next Page
To Next Page IconTo Next Page
To Previous Page IconTo Previous Page
To Previous Page IconTo Previous Page
Loading...
Maintenance Instructions LUBRICATION
57
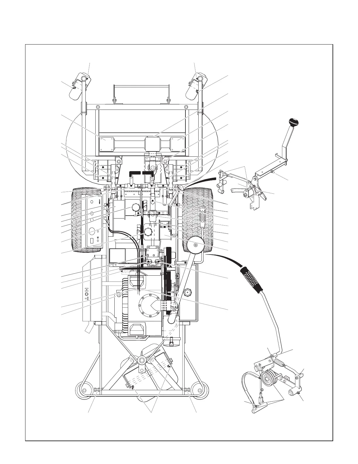
Chassis and Deck Lubrication Points
2
2
3
11
5
4
4
7
7
8
8
6
6
6
6
10
11
9
13
13
12
15
16
14
14
18
19
19
17
20 & 36
22
22
21
24
25
23
27 27
26
29
30
30 & 35
28
32
33
31
34
34
20

Table of Contents

Other manuals for Walker MTL

Related product manuals