EasyManua.ls Logo

Warner Electric MCS-203 - Page 9

Default Icon
24 pages
Print Icon
To Next Page IconTo Next Page
To Next Page IconTo Next Page
To Previous Page IconTo Previous Page
To Previous Page IconTo Previous Page
Loading...
Warner Electric • 800-825-9050 P-0257-WE • 819-9027 9
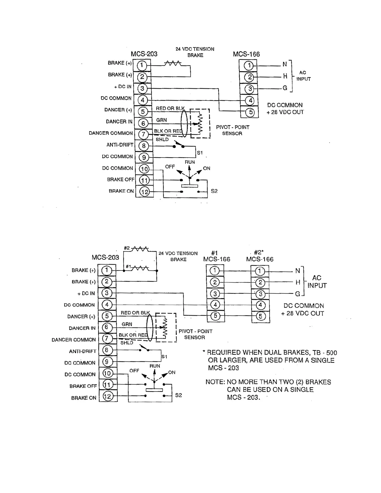
Figure 7. MCS-166/MCS-203 Wiring - Single Brake
Figure 8. MCS-166/MCS-203 Wiring - Dual Brakes

Related product manuals