EasyManua.ls Logo

Washtech M2 - Technical Diagrams; Wiring Diagram

Washtech M2
12 pages
Print Icon
To Next Page IconTo Next Page
To Next Page IconTo Next Page
To Previous Page IconTo Previous Page
To Previous Page IconTo Previous Page
Loading...
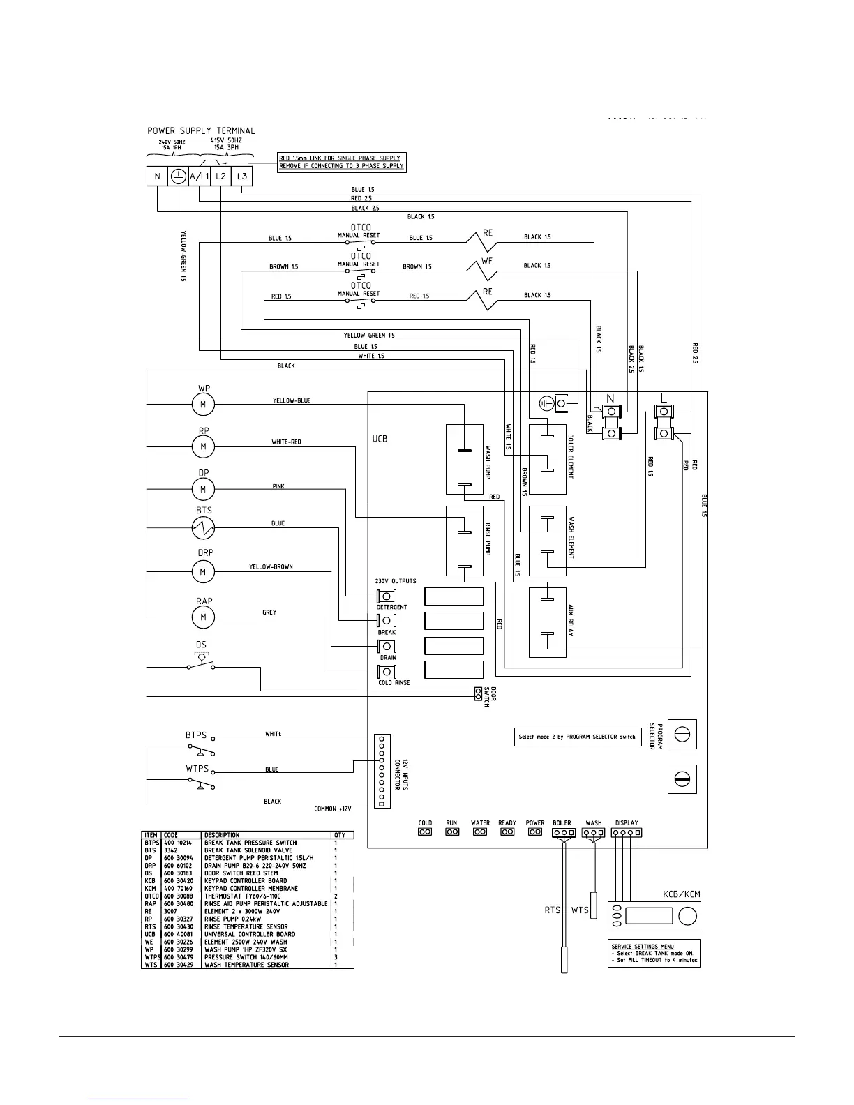
M2-4 Wiring Diagram
080311 16/06/2015 1 H
11 M2 - Operator Manual 151006
M2-4(W ) WIRING DIAGRAM

Related product manuals