EasyManua.ls Logo

Wavemaster MX3+ - Installation Et Utilisation

Wavemaster MX3+
Print Icon
To Next Page IconTo Next Page
To Next Page IconTo Next Page
To Previous Page IconTo Previous Page
To Previous Page IconTo Previous Page
Loading...
Francais
Installation et utilisation
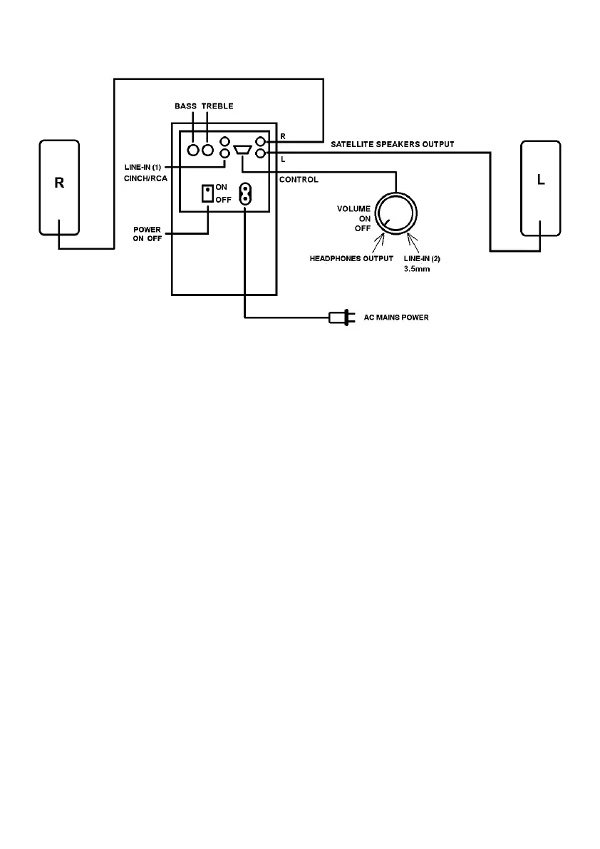
L’installation et l’utilisation du wavemaster MX3+ sont très simples.
Veuillez observer le schéma des connexions suivant. Toutes les connexions doivent être
établies uniquement dans l’état hors tension!
Raccorder les deux satellites avec leurs câbles de connexion aux sorties du Subwoofer
caractérisées par OUTPUT L, R (à gauche, à droite).
Reliez la télécommande à câble à la prise CONTROL du subwoofer.
Reliez le connecteur LINE-IN présent à l’arrière du caisson de basses ou sur la
télécommande à votre source audio stéréo en utilisant le câble fourni.
Le connecteur LINE-IN à l’arrière du caisson de basses est prévu pour les appareils dotés
d’une puissance d’émission élevé comme un PC ou un équipement HiFi
Le connecteur LINE-IN présent à l’avant de la télécommande est prévu pour les appareils
dotes d’une puissance d’émission moindre comme un lecteur MP3 ou un smartphone.
Le connecteur LINE-IN présent à l’avant de la télécommande est prévu pour un raccordement
rapide d’une seconde source audio, par exemple un lecteur MP3. Ce connecteur a la priorité
sur le connecteur LINE-IN présent à l’arrière du caisson de basses. Ainsi, tant qu’une source
est connectée à la télécommande, la source connectée à l’arrière du caisson de basses est
mise en sourdine (mute). Une fois le périphérique raccordé à la télécommande débranché il
est de nouveau possible d’écouter la source connectée à l’arrière du caisson de basses.
Avant la mise en service, vérifiez absolument la valeur de la tension du réseau secteur.
Connecter le MX3+ à l'alimentation en courant. Terminé.
Par la molette de réglage VOLUME de la télécommande, le kit d’enceintes est mis sous et
hors tension (ON / STANDBY) et le volume sonore est ajusté.
Le volume des basses et des aigus est ajusté avec les réglages BASS et TREBLE sur la face
arrière du subwoofer.
La télécommande dispose d'une prise pour casque stéréo. Une commutation automatique est
effectuée vers le casque lorsque le connecteur est branché dans la prise HEADPHONES de
la télécommande. L’amplificateur pour casque audio intégré assure un confortable volume
d’écoute.
10

Related product manuals