EasyManua.ls Logo

Wavemaster MX3+ - Assembly and Operation

Wavemaster MX3+
Print Icon
To Next Page IconTo Next Page
To Next Page IconTo Next Page
To Previous Page IconTo Previous Page
To Previous Page IconTo Previous Page
Loading...
English
Assembly and operation
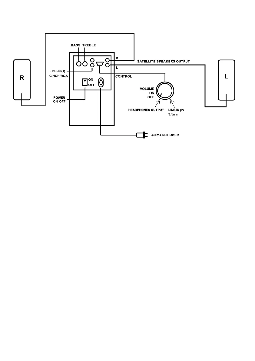
Assembly and operation of this system are very easy to do.
Please connect all components only when they are switched off.
Connect the two satellites with the cables to the sockets marked as OUTPUT L, R on the
subwoofer rear panel.
Connect the wired remote to the terminal marked as CONTROL.
Now connect the socket LINE-IN on the subwoofer back or on the front of the remote control
to the appropriate stereo sound source, using the provided cables.
The socket LINE-IN on the subwoofer back is prepared for devices with higher Line signal
level, like PC or stationary HiFi components.
The socket LINE-IN on the front of the remote control is prepared for devices with a low Line
signal level, like portable MP3-Player, Smartphones etc.
The LINE-IN socket at the remote control front is for quick connection of another stereo
source, e.g. a MP3-Player. This socket is of higher priority than the LINE-IN at the subwoofer
back. Therefore, as long as the source plug is plugged-in to the remote control's LINE-IN, the
source connected to the subwoofer's LINE-IN is muted. Once you release the plug of the
remote control's LINE-IN, you can listen to the source connected to the subwoofer's LINE-IN
again.
Before connections, check your mains power system to be appropriate to the MX3+
Connect your sound system to your mains supply.
Switching on/standby as well as volume control of your sound system can be done by the
remote control.
Adjust the BASS and TREBLE level by the controls on the subwoofer rear panel.
The HEADPHONES socket at the remote control front is for convenient connection of
headphones. The speakers of your MX3+ will be muted as long as the headphones are
connected. The built-in headphones amplifier ensures a comfortable playback volume.
7

Related product manuals