EasyManua.ls Logo

Wavemaster TWO NEO - Assembly and Operation

Wavemaster TWO NEO
Print Icon
To Next Page IconTo Next Page
To Next Page IconTo Next Page
To Previous Page IconTo Previous Page
To Previous Page IconTo Previous Page
Loading...
English
Assembly and operation
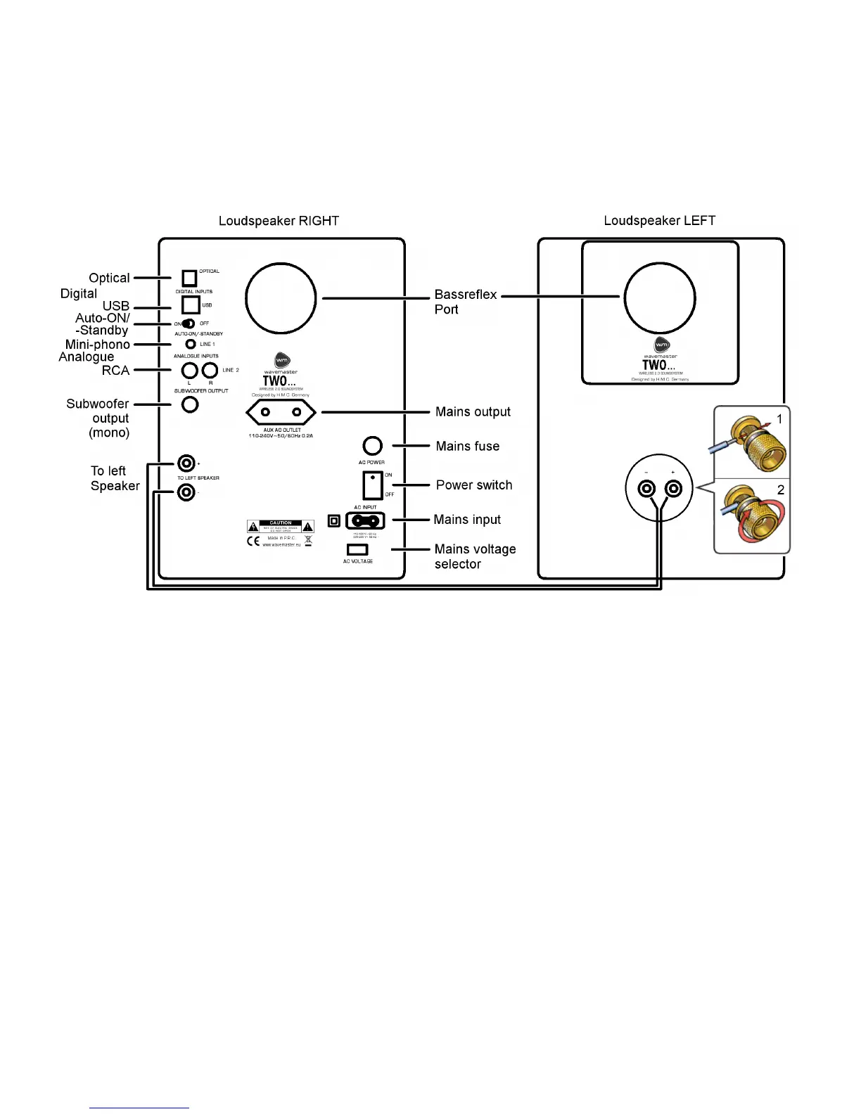
Assembly and operation of your TWO NEO/PRO speaker system is very easy to do. General
connections are shown in the following drawing.
Please connect all components only when the mains power switch is switched OFF.
Place the speakers at their target area and start connecting.
First, connect the left speaker to the right speaker by the speaker cable. The gold-plated
binding posts can be turned and the stripped cable ends shall be fitted to connect red to red
and black to black. Turn the binding posts tight by hand, so that the cables can achieve a
good connection from the output of the right speaker (active) to the left speaker (passive).
Please care to avoid short circuits between red and black connectors, not to cause
malfunctions or defects!
Connect the input socket on the back of your TWO NEO/PRO to your audio sources.
The LINE 1 phono socket input is prepared for devices with lower Line signal level, like
portable MP3-player, smartphones etc.
The RCA sockets LINE 2 are prepared for audio devices with standard Line signal level, e.g.
PC or stationary HiFi devices.
The optical TOSLINK input socket can receive digital PCM stereo signals.
The USB input offers direct connection to PCs and other USB sources.
15

Related product manuals