EasyManua.ls Logo

Wavtech link2 - Remote Output (REM OUT); System Examples

Wavtech link2
12 pages
Print Icon
To Next Page IconTo Next Page
To Next Page IconTo Next Page
To Previous Page IconTo Previous Page
To Previous Page IconTo Previous Page
Loading...
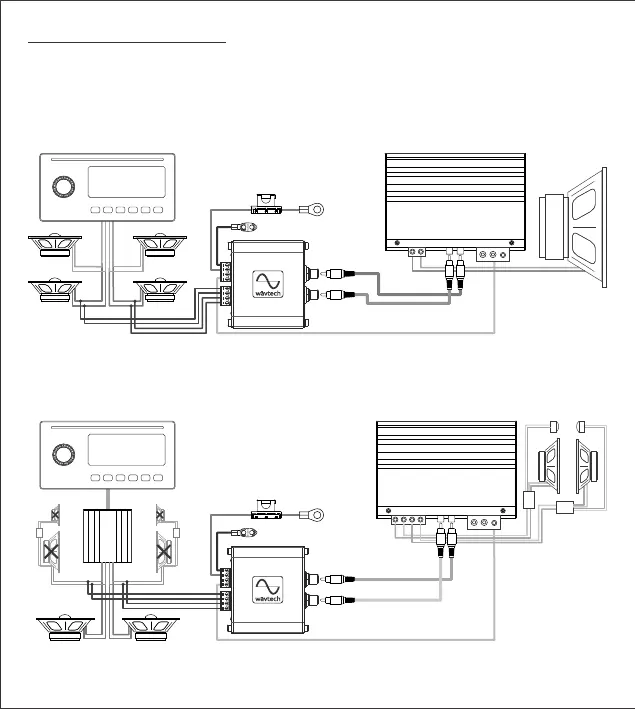
Example-1: Speaker Level Input from OEM Radio
Remote Output (REM OUT): Use the remote output to provide a +12V trigger to
turn on amplifiers or other aftermarket devices. This +12V output is generated
internally by the interface when turned on either by REM IN or automatic
sensing, and will provide over 500mA of continuous current for external devices.
System Examples
Example-2: Speaker Level Input from OEM Amplifier
Note: In factory amplified systems where output from the radio is a fixed level or digital,
input signal for the link2 should be connected at the OEM amplifier’s outputs.
6
Note: When using a receiver’s internal power IC to drive speakers directly and provide the
link2 with signal, note that its speaker outputs will likely clip before reaching the maximum
volume setting. Adjust gain settings accordingly for optimum unclipped volume range.
RCA OUT
+12V
GND
REM
OUT
SPK IN
link2
SPK IN
REM OUT
RCA OUT
+12V
GND
link2