EasyManua.ls Logo

Weed Eater One 28600 - Electrical Components Location; Component Location Diagram

Weed Eater One 28600
80 pages
Print Icon
To Next Page IconTo Next Page
To Next Page IconTo Next Page
To Previous Page IconTo Previous Page
To Previous Page IconTo Previous Page
Loading...
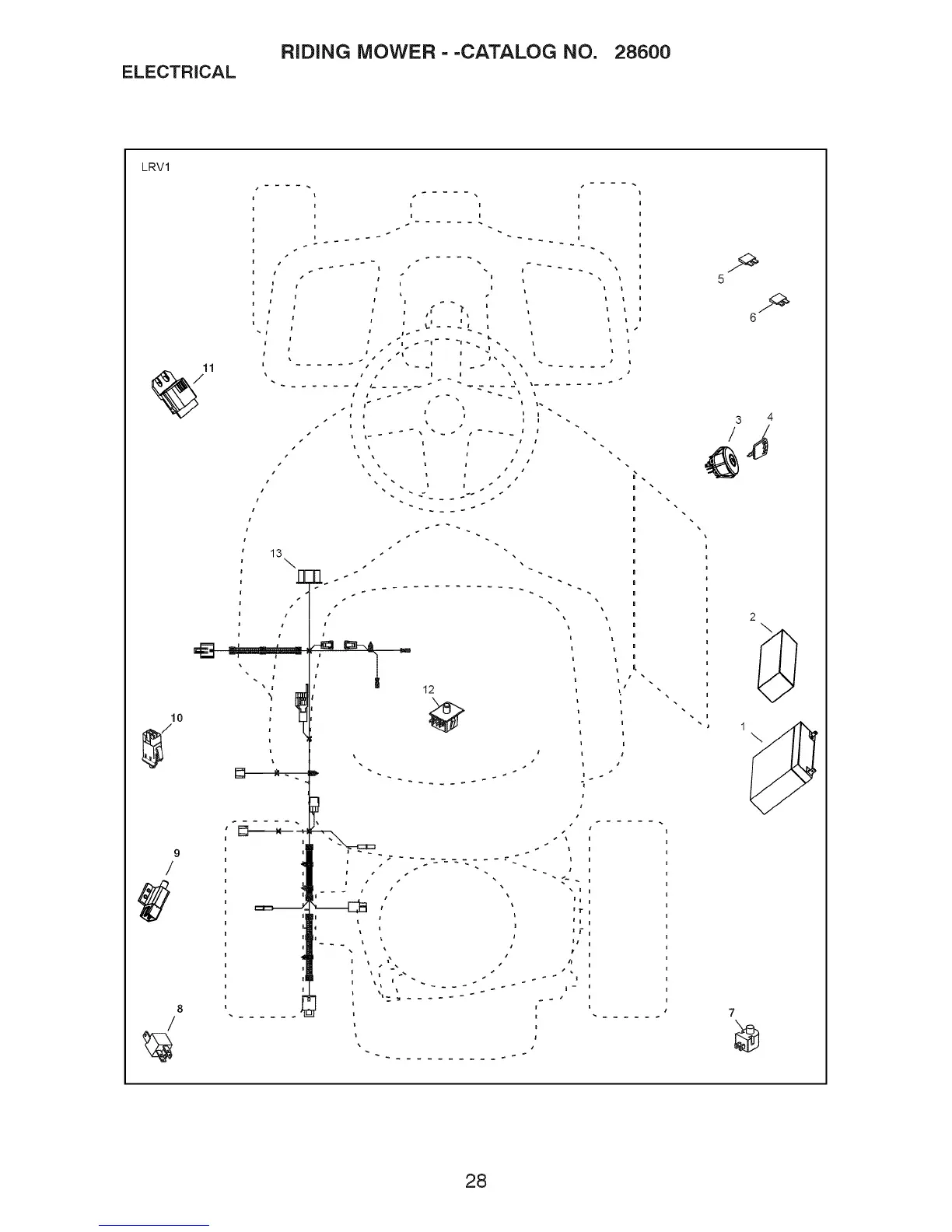
ELECTRICAL
RIDING MOWER--CATALOG NO. 28600
LRV1
11
10
9
/
8
J t m j
i g J _ i
r i ! i i
%
...., :i i ,
12
5
3 4
2
\
7
28

Related product manuals