EasyManua.ls Logo

WEG DBW03 Series - Page 72

WEG DBW03 Series
96 pages
Print Icon
To Next Page IconTo Next Page
To Next Page IconTo Next Page
To Previous Page IconTo Previous Page
To Previous Page IconTo Previous Page
Loading...
DBW03 | 73
Informações Gerais
Português
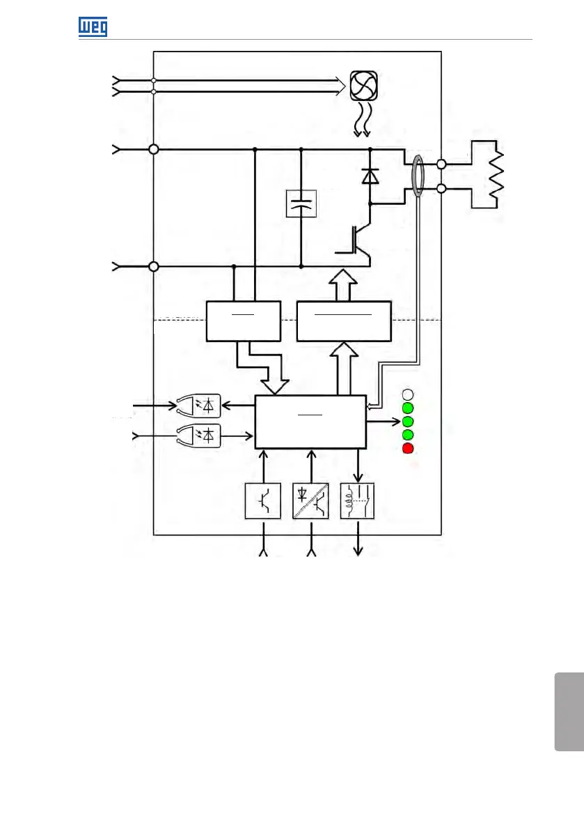
Resistor
de
frenagem
externo
Ventilador do dissipador
+UD
+UD
-UD
BR
LEDs
IGBT de
frenagem
Sensor
de falta
à terra
Banco de
capacitores
Emissor fibra
óptica (sda de
sincronismo N3)
Entrada para
termostato
DIT
Entrada
digital
DI1
Saídas
digitais
RL1 e RL2
Receptor fibra
óptica (entrada
de sincronismo
N2)
PSB1
Cartão de fontes
de alimentação
CDB1
Cartão de controle com
CPU 32 bits "RISC"
GDB5 / CRG9
Cartões de gate-driver
e de resistores de gate
POTÊNCIA
CONTROLE
220 V
Ext.
Figura 2.3: Esquema geral do módulo

Table of Contents