EasyManua.ls Logo

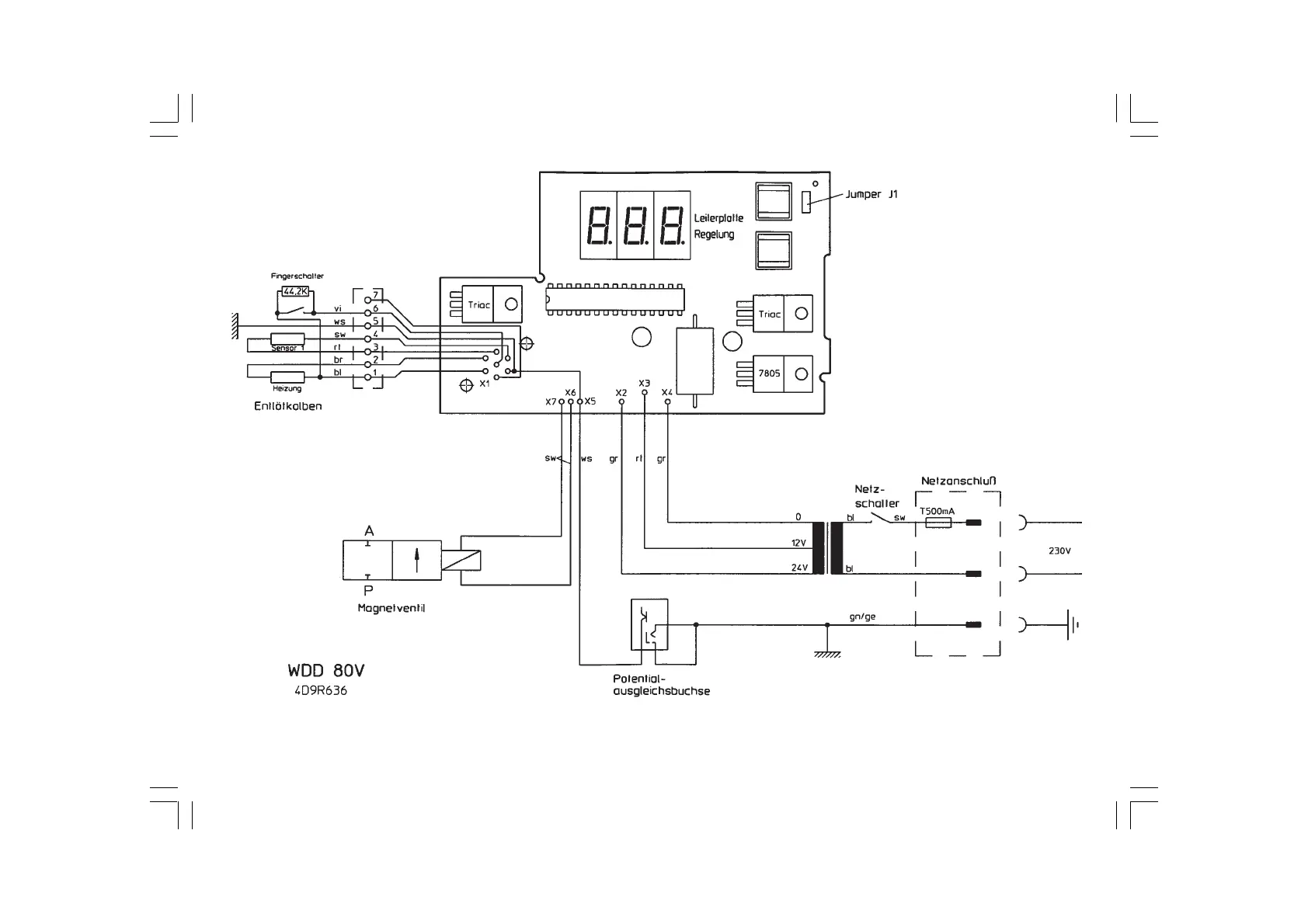
Weller WDD 80V - Circuit Diagram

Weller WDD 80V
Print Icon
To Next Page IconTo Next Page
To Next Page IconTo Next Page
To Previous Page IconTo Previous Page
To Previous Page IconTo Previous Page
Loading...
63
WDD 80V 07/00 04.04.2002, 10:49 Uhr63
PK Elektronik Vertriebs GmbH, E-Mail: info@pkelektronik.com, Internet: www.pkelektronik.com

Table of Contents

Related product manuals