EasyManua.ls Logo

Wells G13 - Page 12

Wells G13
36 pages
Print Icon
To Next Page IconTo Next Page
To Next Page IconTo Next Page
To Previous Page IconTo Previous Page
To Previous Page IconTo Previous Page
Loading...
8
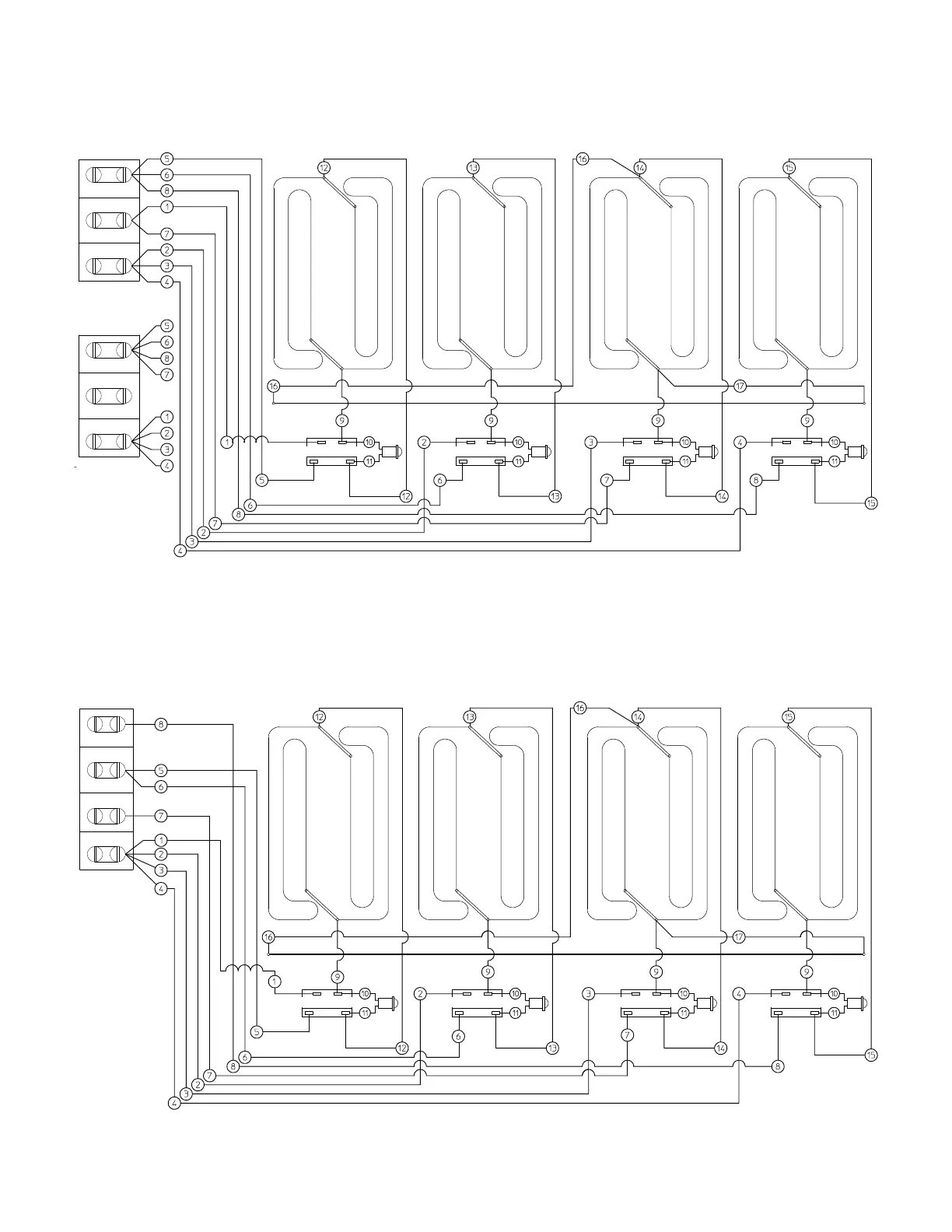
WIRING DIAGRAMS
G24
208 V, 240 V, 480 V
G24
380 V–415 V
single phase
L1
L1
L1
L2
L2
L2
L3
L3
N
three phase
[delta]
three phase
[wye]
perimeter
element
perimeter
element
thermostatthermostatthermostatthermostat
thermostat thermostat thermostatthermostat

Other manuals for Wells G13

Related product manuals