EasyManua.ls Logo

Wells G13 - Page 13

Wells G13
36 pages
Print Icon
To Next Page IconTo Next Page
To Next Page IconTo Next Page
To Previous Page IconTo Previous Page
To Previous Page IconTo Previous Page
Loading...
2M-Z21001 Rev- Owner's Manual for IRCS4 Impingement/Radiant Split-Belt Conveyor Toaster
9
2M-303339 Rev H Owner’s Manual for Wells Countertop Electric Griddles
5
6
7
8
1
2
3
4
16
9
1 2 3 4
11
15
8
14
13
12
7
6
5
10
11
10
11
10
11
10
9
9
9
17
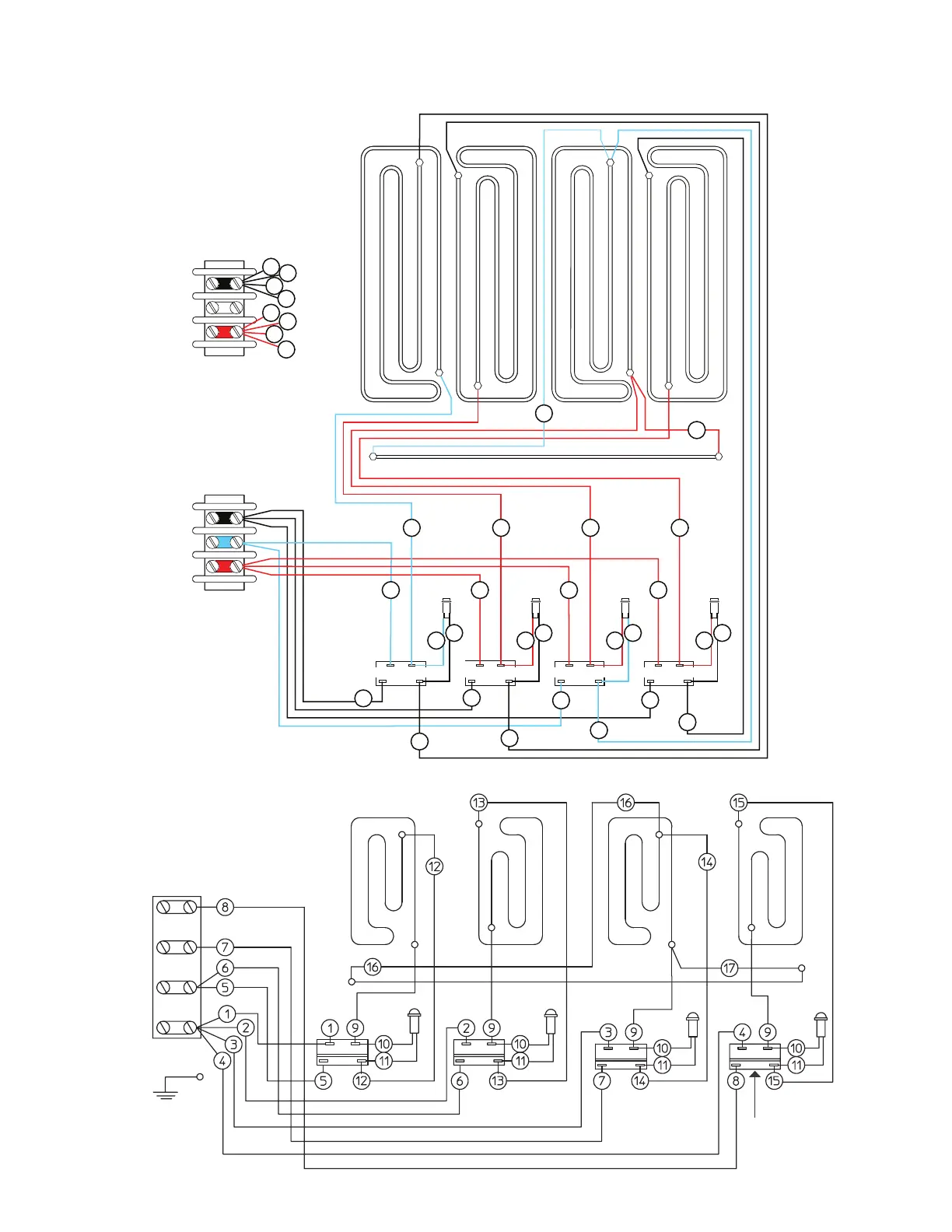
WIRING DIAGRAMS
G60 [1 of 2, this unit uses this diagram twice, once
for the left half and once for the right half]
208 V, 240 V, 480 V
G60 [1 of 2, this unit uses this diagram twice, once
for the left half and once for the right half]
380 V415 V
single phase
L1
L1
L1
N
L2
L3
L3
L2
L2
three phase
[delta]
three phase
[wye]
perimeter element
perimeter
element
thermostat thermostat thermostat thermostat
thermostat
[1 of 4, per side]
5
6
7
8
1
2
3
4
16
9
1 2 3 4
11
15
8
14
13
12
7
6
5
10
11
10
11
10
11
10
9
9
9
17

Other manuals for Wells G13

Related product manuals