EasyManua.ls Logo

Wen 33606 - Limited Two Year Warranty

Wen 33606
20 pages
Print Icon
To Next Page IconTo Next Page
To Next Page IconTo Next Page
To Previous Page IconTo Previous Page
To Previous Page IconTo Previous Page
Loading...
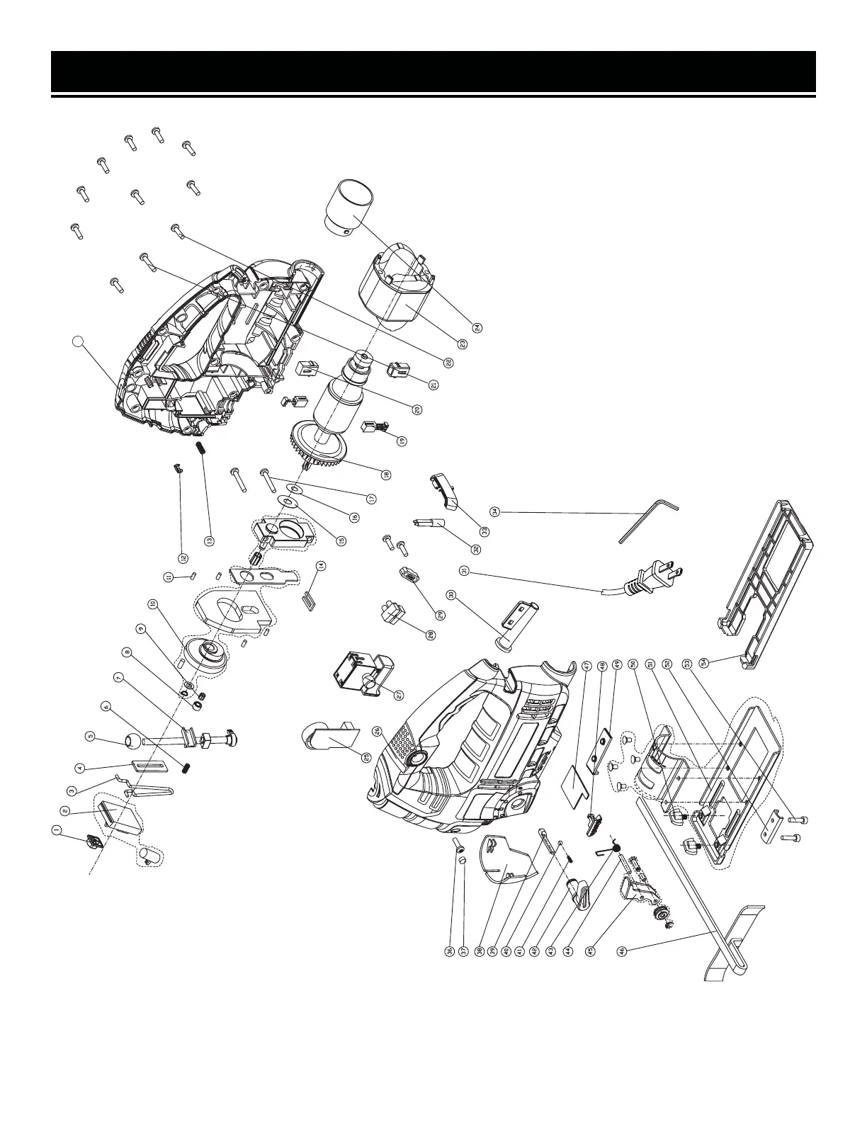
EXPLODED VIEW & PARTS LIST
55
15
NOTE: Not all parts may be available for purchase.

Other manuals for Wen 33606