EasyManua.ls Logo

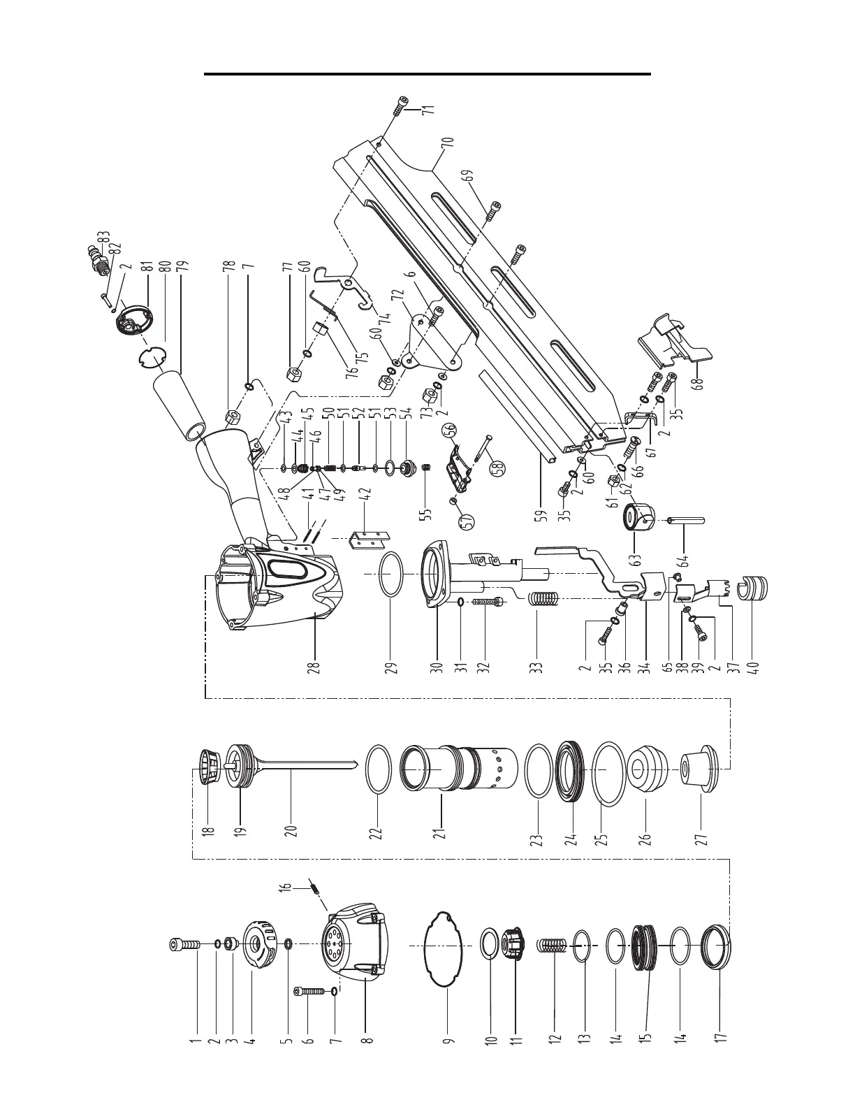
Wen 61793 - EXPLODED VIEW AND PARTS LIST

Wen 61793
18 pages
Print Icon
To Next Page IconTo Next Page
To Next Page IconTo Next Page
To Previous Page IconTo Previous Page
To Previous Page IconTo Previous Page
Loading...
EXPLODED VIEW AND PARTS LIST
14

Related product manuals