EasyManua.ls Logo

Wen DF500iX - Wire Diagram

Wen DF500iX
44 pages
Print Icon
To Next Page IconTo Next Page
To Next Page IconTo Next Page
To Previous Page IconTo Previous Page
To Previous Page IconTo Previous Page
Loading...
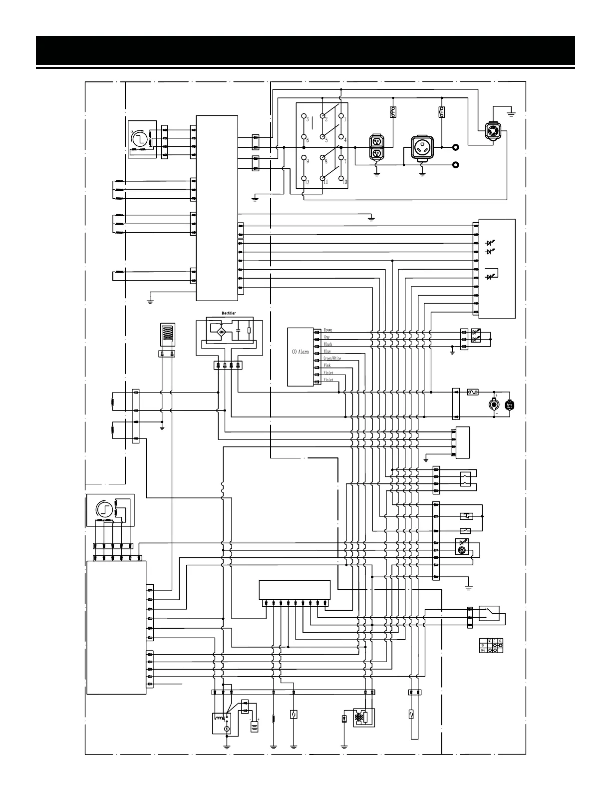
WIRING DIAGRAM
35
Red
Black
Main
Winding
Main
Winding
Inverter
Unit Winding
Power Section
Stepper Motor
Yellow
Blue
Orange
Pink
Red
Yellow
Blue
Red
Yellow
Blue
White
White
Yellow/Green
Fuel Solenoid
Valve
DC Winding
Ignition
Winding
Blue
Blue
Motor Section
CCW
Stepping Motor
Blue
Yellow
Orange
Pink
Red
White
Remote Control
Module
Blue
Black
Pink
Red
Black/White
Orange
Green/White
White
Red/White
Orange
Black
Antenna
Starter
Motor
Battery 12V
Pulser
Coil
Oil Level
Switch
Spark
Plug
Ignition
Coil
Fuel Level
Indicator
Panel Section
Orange
Black
NC
NO
C
Microswitch
Digital Igniter
Red
Blue/White
Black/White
Black
Blue
Brown
Black/Red
Gray
Pink
Reset
ECO Switch
Pink
Red/White
Black
Red
Black
Gas Switch
Brown
Black/Red
Orange
White
Black
Blue
Blue
Red
Black
Charger
Red
Black
Circuit Breaker, 8A
DC 12V 8A
CO
Black/White
Green
Yellow
Black
Red
Run
Overload
Oil
Digital Meter
Orange
Blue/White
White
Red/White
Black/White
Black/Red
Green/White
Blue/Red
Yellow/Green
Black
WhiteWhite
Yellow/GreenYellow/Green
Red
Parallel Outlets
Yellow/Green
Circuit
Breaker, 20A
Circuit
Breaker, 30A
Gray
White
Gray Gray
White
Gray
Inverter Unit
RedRed
WhiteWhite
BlackBlack
GrayGray
White

Related product manuals