EasyManua.ls Logo

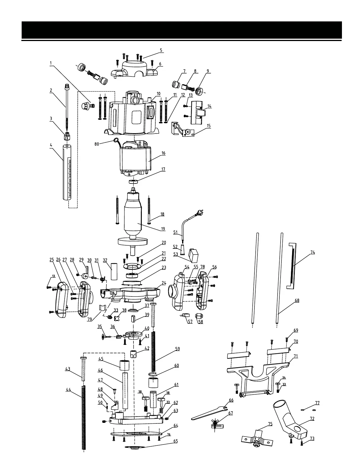
Wen RT6033 - Exploded View and Parts List; Exploded View Diagram

Wen RT6033
24 pages
Print Icon
To Next Page IconTo Next Page
To Next Page IconTo Next Page
To Previous Page IconTo Previous Page
To Previous Page IconTo Previous Page
Loading...
19
EXPLODED VIEW & PARTS LIST

Related product manuals