EasyManua.ls Logo

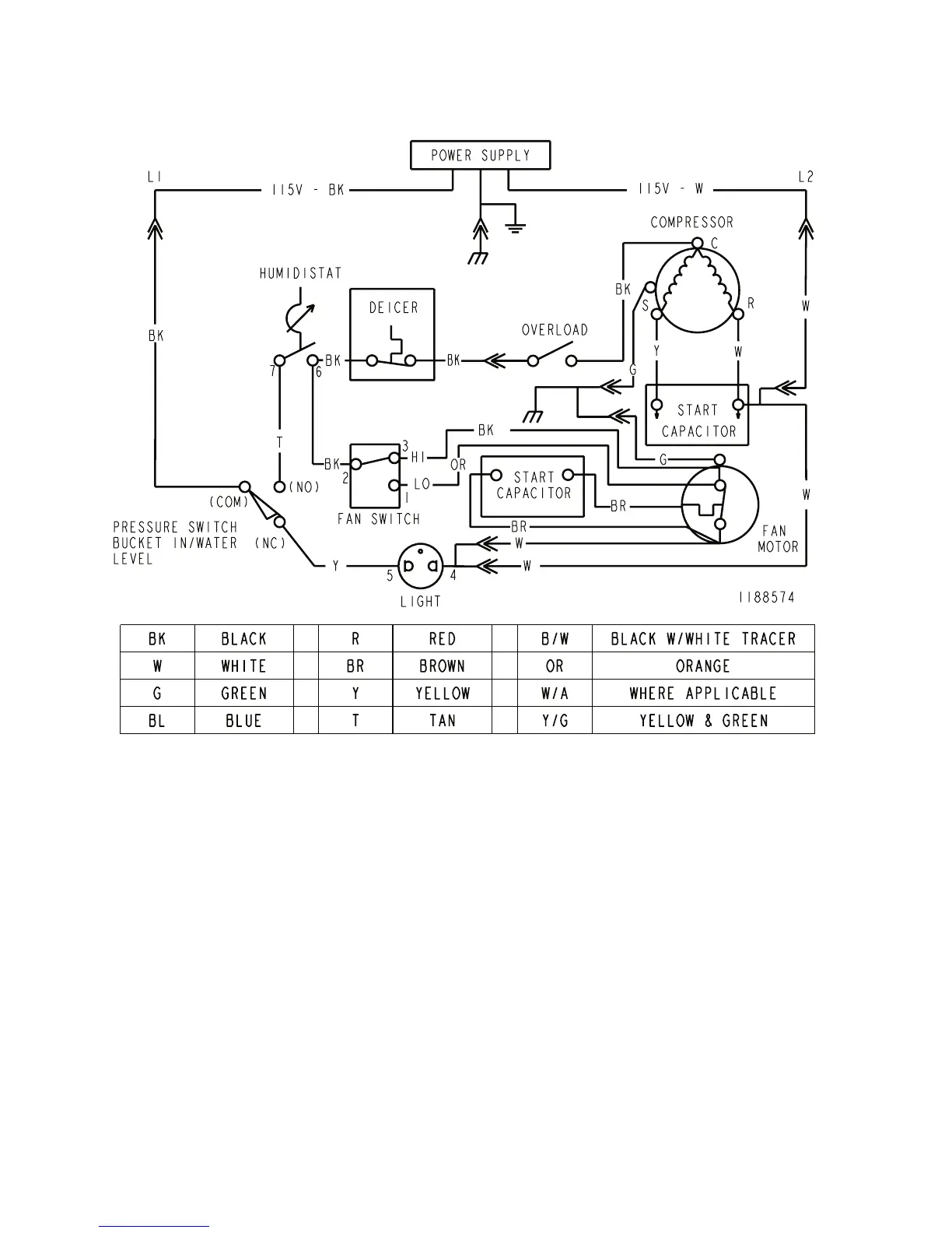
Whirlpool AD50USS - Wiring Diagrams (Continued); Wiring Diagram 2 Details

Whirlpool AD50USS
40 pages
Print Icon
To Next Page IconTo Next Page
To Next Page IconTo Next Page
To Previous Page IconTo Previous Page
To Previous Page IconTo Previous Page
Loading...
6-2
WIRING DIAGRAM 2

Related product manuals